To the top of the document
Cruze
   
GMDE Start Page Load static TOC Load dynamic TOC Help?

Inlet Manifold Tuning Valve Vacuum Control Solenoid Valve Hose Replacement

Removal Procedure

  1. Remove the engine sight shield. Refer to Engine Sight Shield Replacement .

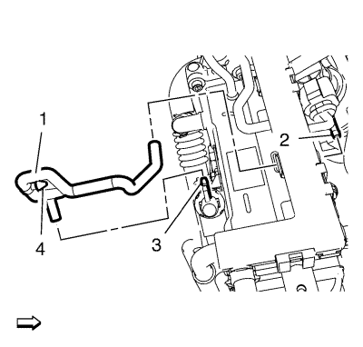
  2. 2512535
  3. Remove the inlet manifold tuning valve vacuum control solenoid valve hose (1) from the inlet air tuning valve vacuum control solenoid valve (3) and from the inlet manifold runner control valve actuator (2).
  4. Remove the inlet manifold tuning valve vacuum control solenoid valve hose clip (4) from the exhaust gas recirculation cooler.
  5. Remove the inlet manifold tuning valve vacuum control solenoid valve hose.

Installation Procedure


    2512535
  1. Install the inlet manifold tuning valve vacuum control solenoid valve hose (1).
  2. Install the inlet manifold tuning valve vacuum control solenoid valve hose to the inlet air tuning valve vacuum control solenoid valve (3) and to the inlet manifold runner control valve actuator (2).
  3. Install the inlet manifold tuning valve vacuum control solenoid valve hose clip (4) to the exhaust gas recirculation cooler.
  4. Install the engine sight shield. Refer to Engine Sight Shield Replacement .
   


© Copyright Chevrolet. All rights reserved