To the top of the document
Cruze
   
GMDE Start Page Load static TOC Load dynamic TOC Help?

Inlet Air Tuning Valve Vacuum Control Solenoid Valve Replacement

Removal Procedure

  1. Remove the engine sight shield. Refer to Engine Sight Shield Replacement .

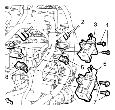
  2. 2512534
  3. Disconnect the 2 tuning valve vacuum control solenoid valve wiring harness plugs (5, 8).
  4. Remove the 4 tuning valve vacuum control solenoid valve hoses (1, 2).
  5. Remove the 2 tuning valve vacuum control solenoid valve bolts (4).
  6. Remove the inlet air tuning valve vacuum control solenoid valve (3).
  7. Remove the 2 additional tuning valve vacuum control solenoid valve bolts (7).
  8. Remove the additional inlet air tuning valve vacuum control solenoid valve (6).

Installation Procedure


    2512534
  1. Install the additional inlet air tuning valve vacuum control solenoid valve (6).
  2. Caution: Refer to Fastener Caution in the Preface section.

  3. Install the 2 additional tuning valve vacuum control solenoid valve bolts (7) and tighten to 10 N·m (89 lb in).
  4. Install the inlet air tuning valve vacuum control solenoid valve (3).
  5. Install the 2 tuning valve vacuum control solenoid valve bolts (4) and tighten to 10 N·m (89 lb in).
  6. Install the 4 tuning valve vacuum control solenoid valve hoses (1, 2).
  7. Connect the 2 tuning valve vacuum control solenoid valve wiring harness plugs (5, 8).
  8. Install the engine sight shield. Refer to Engine Sight Shield Replacement .
   


© Copyright Chevrolet. All rights reserved