To the top of the document
Cruze
   
GMDE Start Page Load static TOC Load dynamic TOC Help?

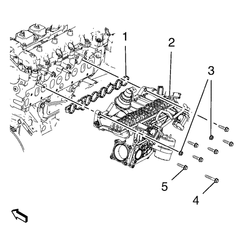
Inlet Manifold Installation


    2373182
  1. Install the inlet manifold (2) along with a NEW inlet manifold gasket (1).
  2. Caution: Refer to Fastener Caution in the Preface section.

  3. Install the 6 retaining bolts (5) and the 2 retaining nuts (3). Tighten the bolts and the nut to 25 N·m (18 lb ft).
  4. Install the retaining bolt (4) to the inlet manifold bracket and tighten to 25 N·m (18 lb ft).
   


© Copyright Chevrolet. All rights reserved