To the top of the document
Cruze
   
GMDE Start Page Load static TOC Load dynamic TOC Help?

Oil Level Indicator Tube Replacement

Removal Procedure

  1. Remove the exhaust particulate filter. Refer to Exhaust Particulate Filter Replacement : 2.0L Diesel LNP → 1.7L Diesel LPL and LPV → 2.0L Diesel LLW .

  2. 2373153
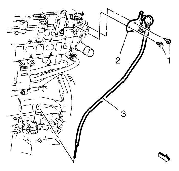
  3. Remove the 2 bolts (1) from the oil level indicator tube bracket (2).
  4. Remove the oil level indicator tube (3) from the lower crankcase.
  5. Remove the oil level indicator tube seal ring.

Installation Procedure


    2373153
  1. Install the oil level indicator tube (3) to the lower crankcase with a NEW seal ring.
  2. Caution: Refer to Fastener Caution in the Preface section.

  3. Install the bolts (1) to the oil level indicator tube bracket (2) and tighten to 10 N·m (89 lb in).
  4. Install the exhaust particulate filter. Refer to Exhaust Particulate Filter Replacement : 2.0L Diesel LNP → 1.7L Diesel LPL and LPV → 2.0L Diesel LLW .
   


© Copyright Chevrolet. All rights reserved