To the top of the document
Cruze
   
GMDE Start Page Load static TOC Load dynamic TOC Help?

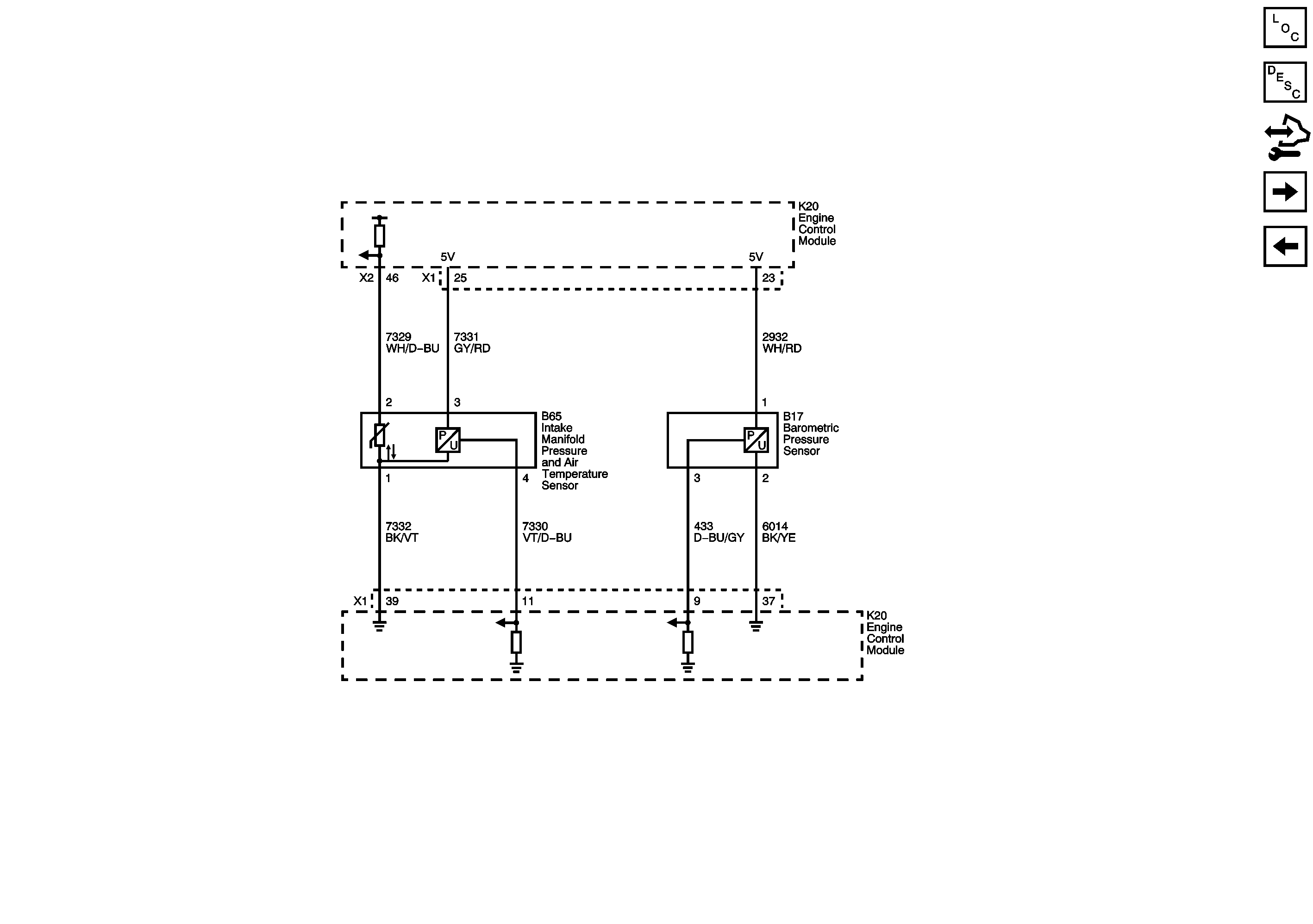
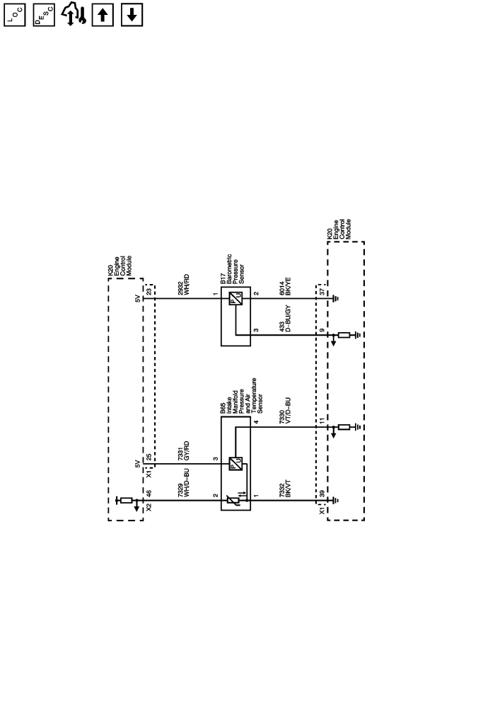
Barometric Pressure, Intake Pressure, and Air Temperature Sensors



            |                         |            
2519843EN.png

Display graphic

   


© Copyright Chevrolet. All rights reserved