To the top of the document
Cruze
   
GMDE Start Page Load static TOC Load dynamic TOC Help?

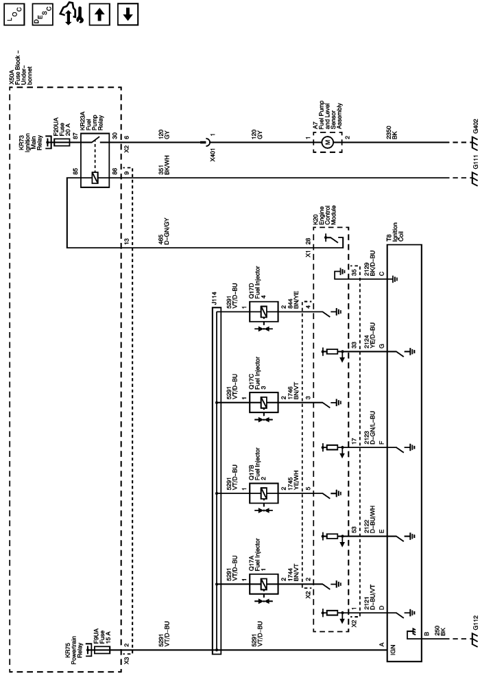
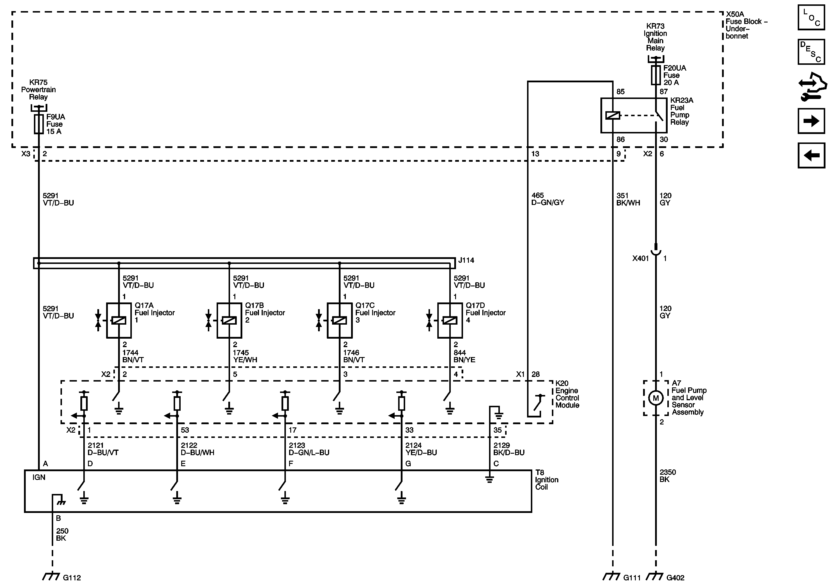
Fuel and Ignition Controls - Fuel Injectors, Fuel Pump, and Ignition Coil



            |                         |            
2519842EN.png

Display graphic

   


© Copyright Chevrolet. All rights reserved