To the top of the document
Cruze
   
GMDE Start Page Load static TOC Load dynamic TOC Help?

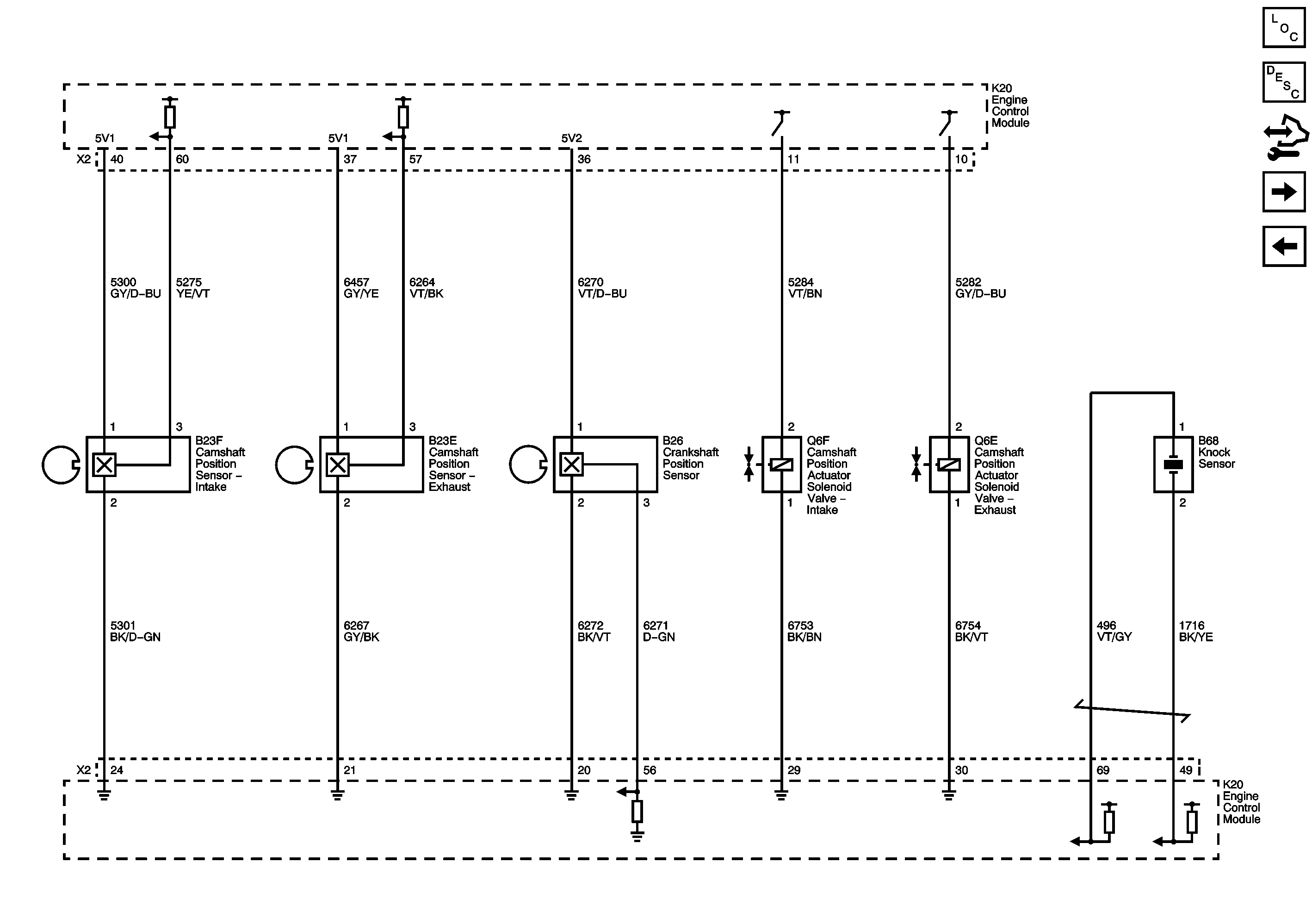
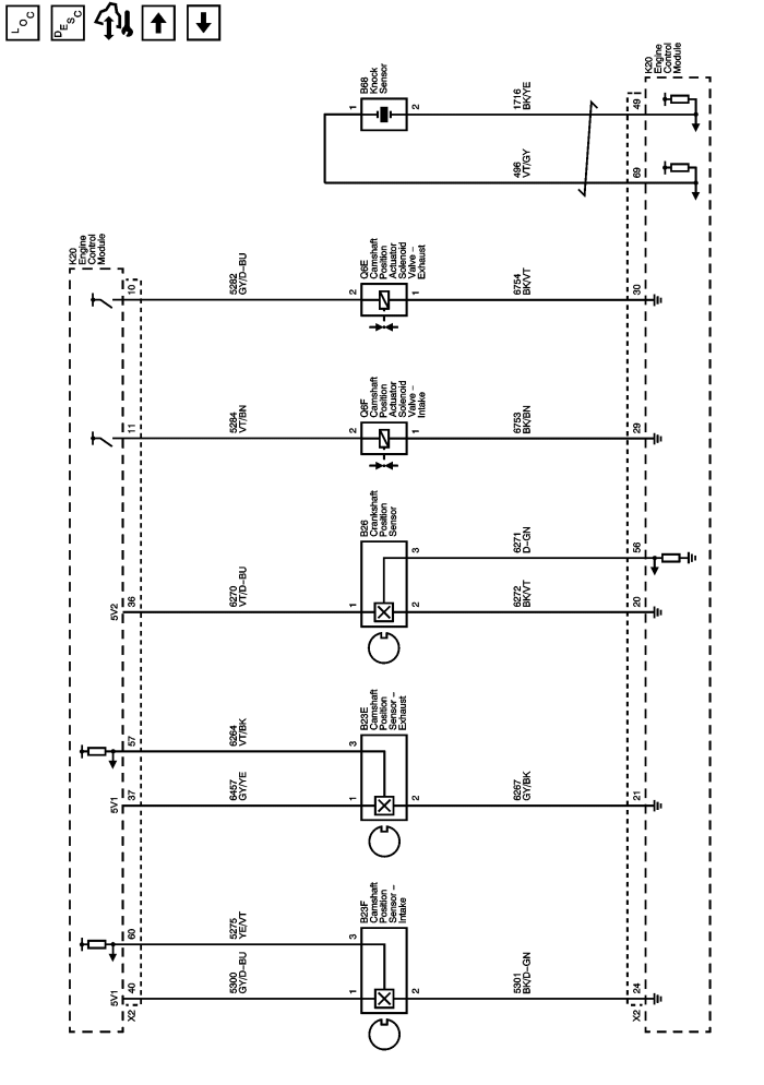
Ignition Controls - Camshaft, Crankshaft, and Knock Sensors, Camshaft Actuators



            |                         |            
2519837EN.png

Display graphic

   


© Copyright Chevrolet. All rights reserved