To the top of the document
Cruze
   
GMDE Start Page Load static TOC Load dynamic TOC Help?

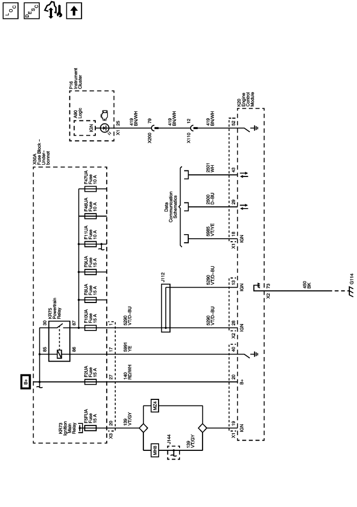
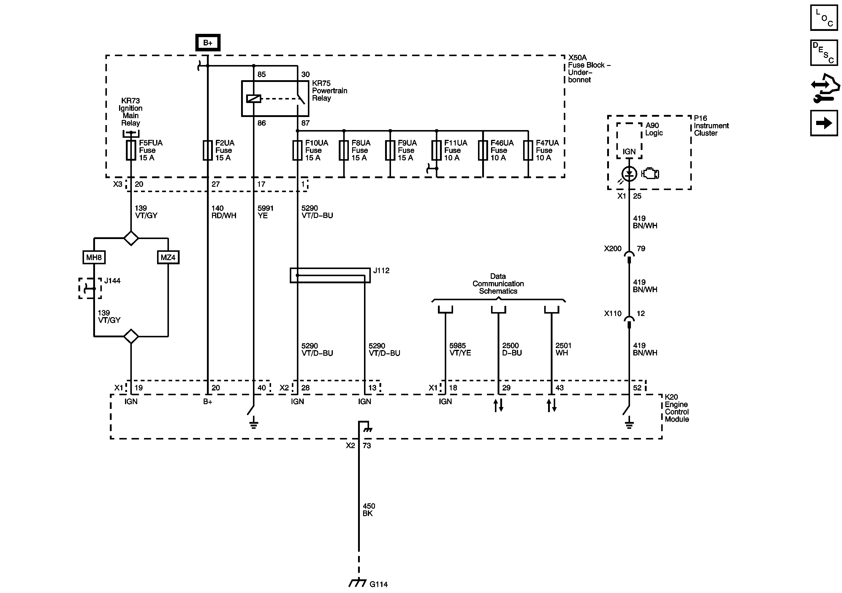
Power, Ground, Serial Data, and MIL



            |                         |            
2519830EN.png

Display graphic

   


© Copyright Chevrolet. All rights reserved