To the top of the document
Cruze
   
GMDE Start Page Load static TOC Load dynamic TOC Help?

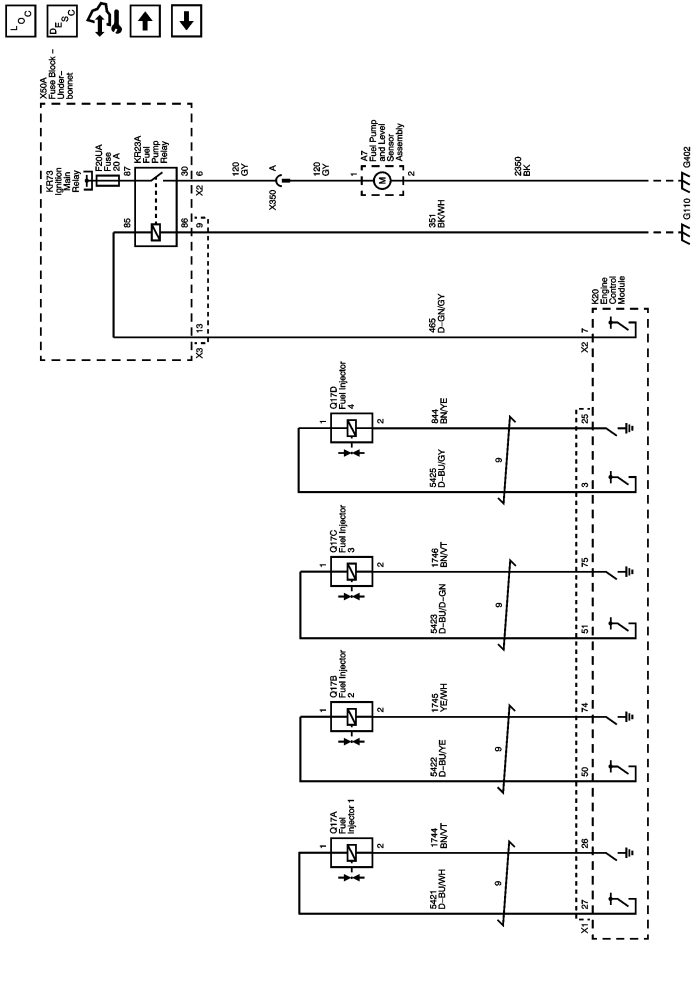
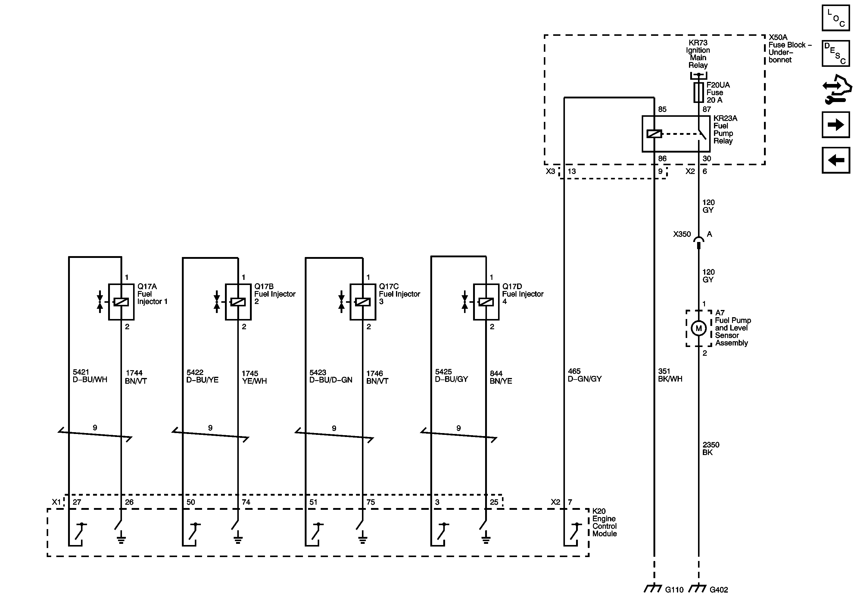
Fuel Controls - Fuel Pump and Fuel Injectors



            |                         |            
2510555EN.png

Display graphic

   


© Copyright Chevrolet. All rights reserved