To the top of the document
Cruze
   
GMDE Start Page Load static TOC Load dynamic TOC Help?

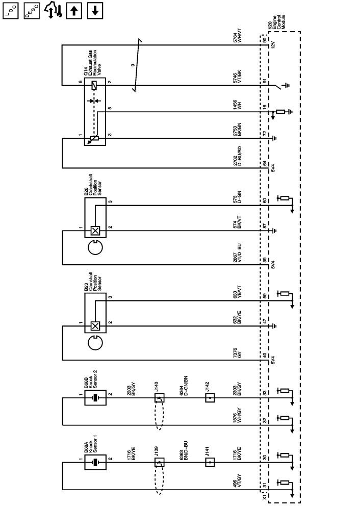
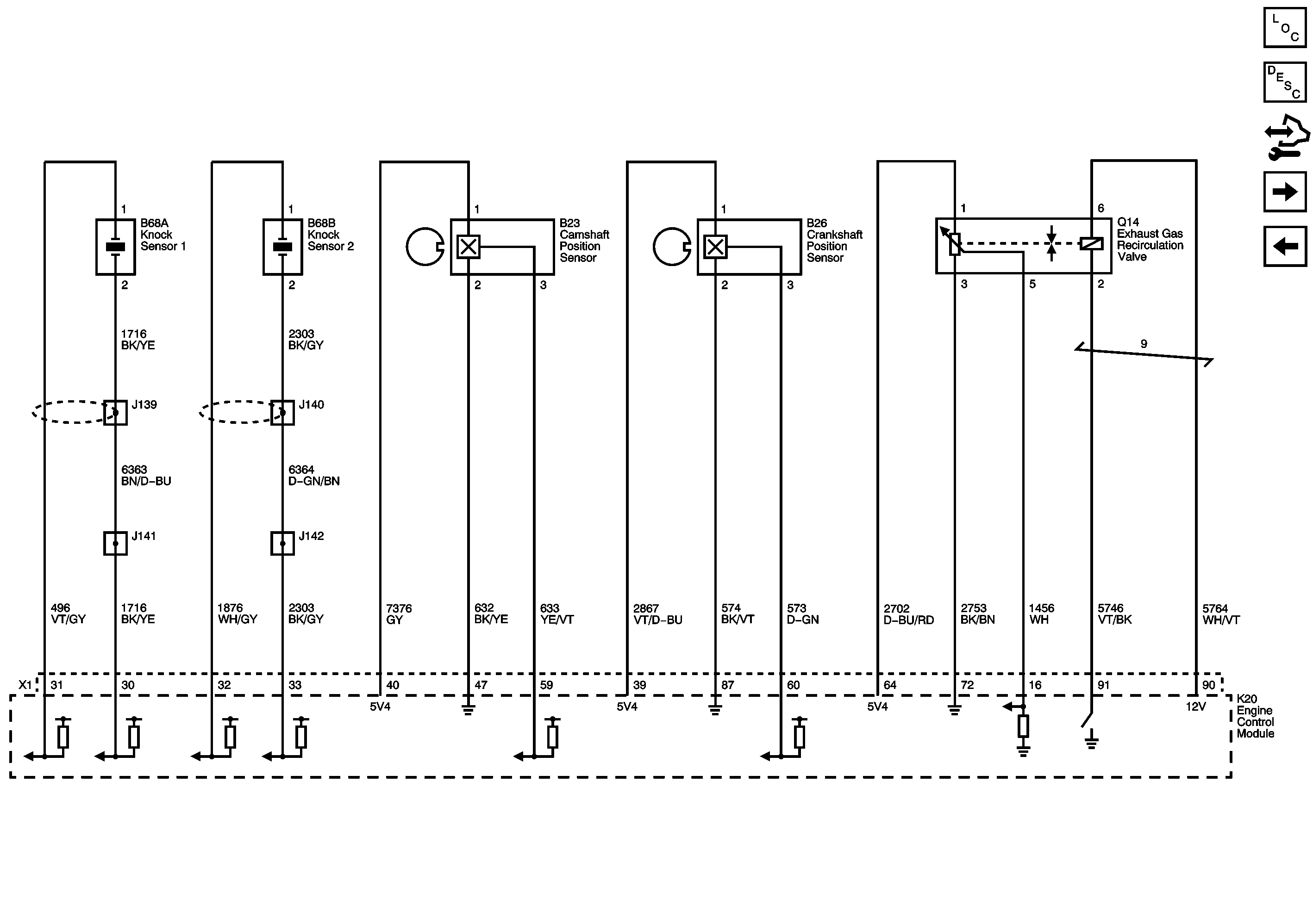
Camshaft, Crankshaft, Exhaust Gas, and Knock Sensors



            |                         |            
2510551EN.png

Display graphic

   


© Copyright Chevrolet. All rights reserved