To the top of the document
Cruze
   
GMDE Start Page Load static TOC Load dynamic TOC Help?

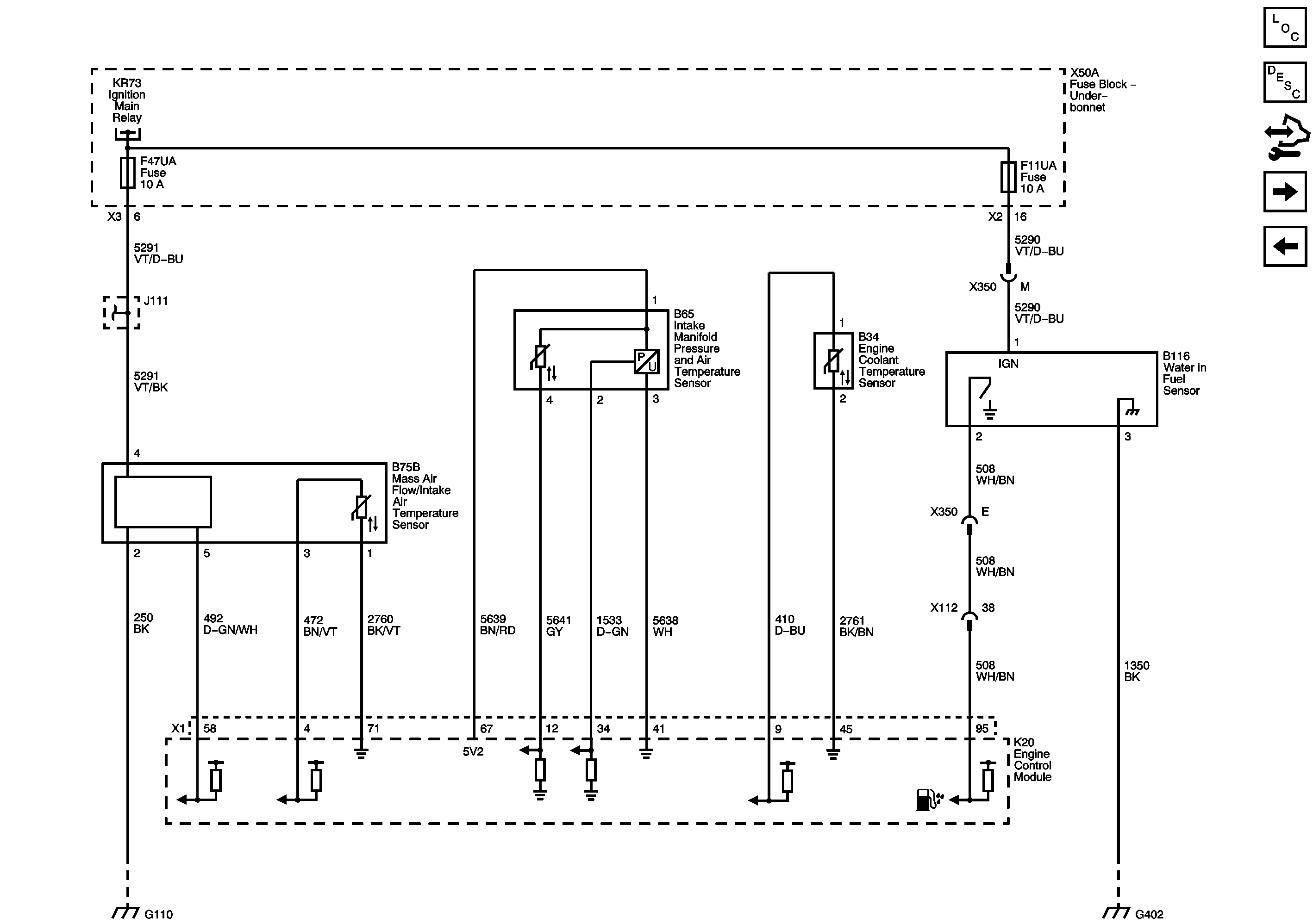
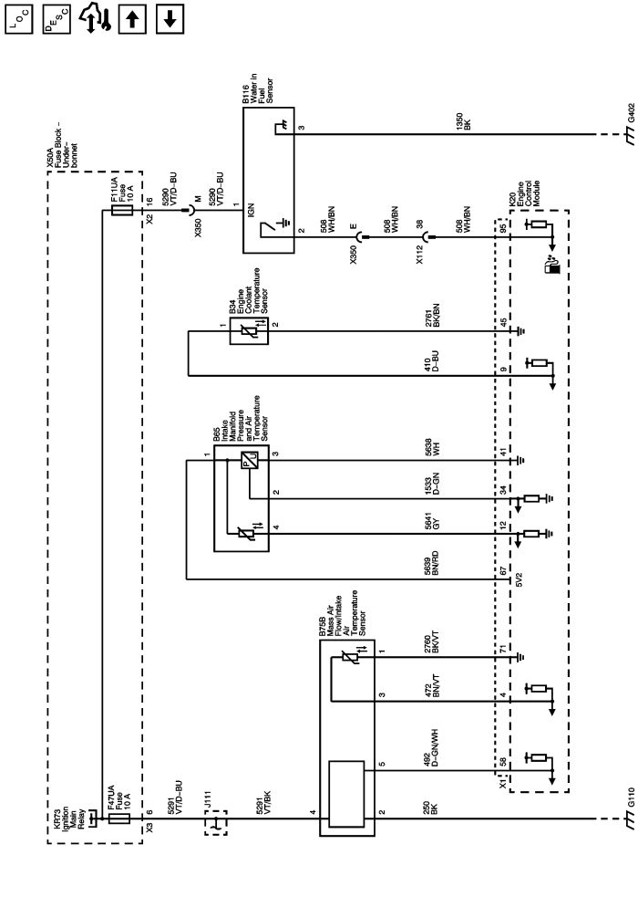
Engine Data Sensors - Pressure, Temperature, and Water in Fuel



            |                         |            
2510545EN.png

Display graphic

   


© Copyright Chevrolet. All rights reserved