To the top of the document
Cruze
   
GMDE Start Page Load static TOC Load dynamic TOC Help?

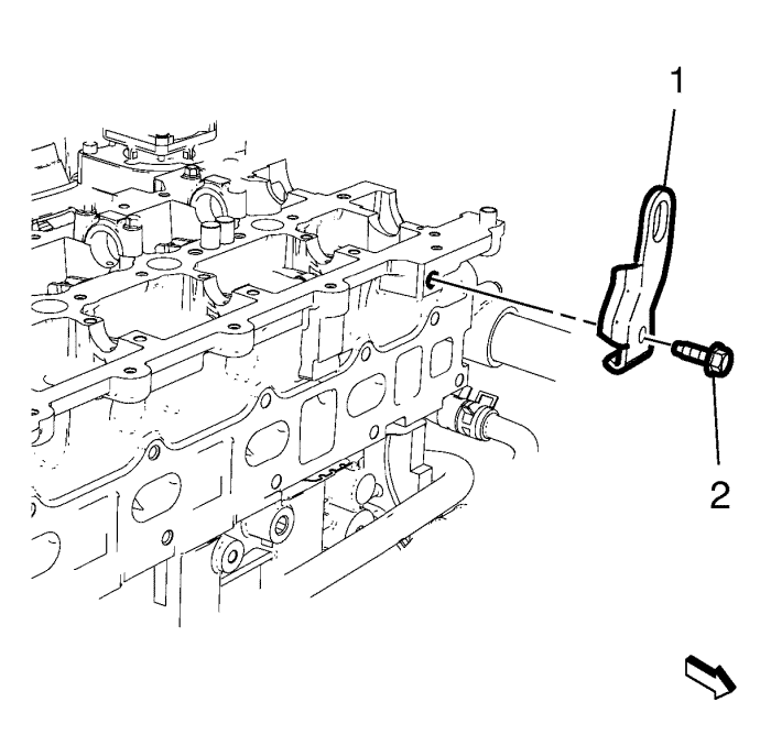
Engine Lift Front Bracket Removal


    2373169
  1. Remove the engine lift front bracket bolt (2) from the cylinder head.
  2. Remove the engine lift front bracket (1).
   


© Copyright Chevrolet. All rights reserved