To the top of the document
Cruze
   
GMDE Start Page Load static TOC Load dynamic TOC Help?

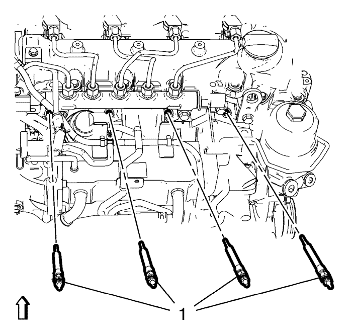
Glow Plug Removal


2373137

Remove 4 glow plugs (1)

   


© Copyright Chevrolet. All rights reserved