To the top of the document
Cruze
   
GMDE Start Page Load static TOC Load dynamic TOC Help?

Exhaust Particulate Filter Removal


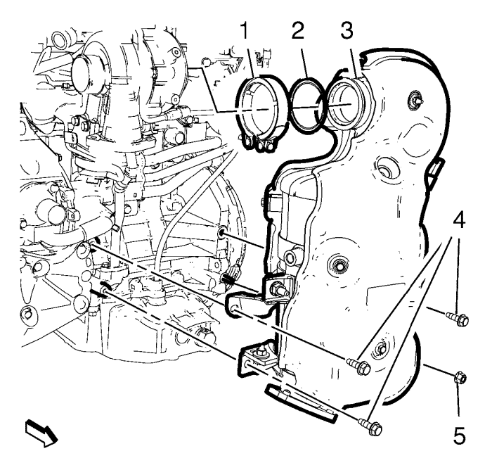
    2373132
  1. Remove both exhaust pressure differential sensor hose clips (1).
  2. Remove both exhaust pressure differential sensor hoses (2) from the diesel particulate filter pipes.

  3. 2373133
  4. Remove the diesel particulate filter clamp (1).
  5. Remove 3 diesel particulate filter bolts (4) and 1 nut (5) from the diesel particulate filter brackets.
  6. Remove the diesel particulate filter (3) and the diesel particulate filter clamp gasket (2).
   


© Copyright Chevrolet. All rights reserved