To the top of the document
Cruze
   
GMDE Start Page Load static TOC Load dynamic TOC Help?

Transmission Replacement — 1.8L 2H0

Special Tools

    • CH-904 Base Frame
    • DT-47648 Transmission Holder
    • EN-47649 Engine Support Fixture
    • CH-49289 Centring Frame
    • CH-49290 Engine Support Tool

For equivalent regional tools, refer to Special Tools .

Removal Procedure

  1. Remove battery tray. Refer to Battery Tray Replacement .
  2. Note: Do NOT disconnect engine coolant hoses.

  3. Remove the radiator surge tank. Refer to Radiator Surge Tank Replacement .
  4. Remove the transmission gear shift lever cable from transmission. Refer to Manual Transmission Shift Lever and Selector Lever Cable Replacement .

  5. 2191942
  6. Disconnect the electrical connector (1) from the reverse lamp switch.

  7. 2191940

    Note: Before disconnecting the clutch actuator cylinder front pipe, remove the clutch/brake fluid from the reservoir tank. Place basin underneath.

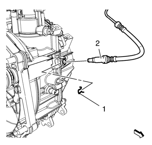
  8. Remove the clutch actuator cylinder front pipe retainer (1).
  9. Disconnect the clutch actuator cylinder front pipe (2) from the clutch actuator cylinder pipe elbow.

  10. 2372842
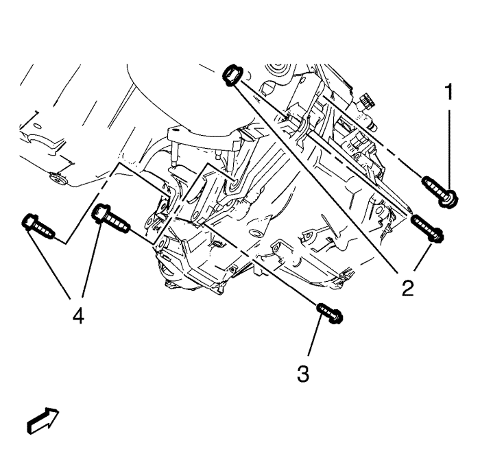
  11. Remove the 3 upper transmission bolts from engine (1).
  12. Raise and support the vehicle. Refer to Lifting and Jacking the Vehicle .
  13. Install CH-49290 engine support fixture , for the assembly use attached installation manual.
  14. Remove the drivetrain and front suspension frame. Refer to Drivetrain and Front Suspension Frame Replacement .

  15. 2191948
  16. Remove transmission front mount from transmission (2). Remove 2 bolts (1).

  17. 2191949
  18. Remove the transmission mount bracket bolts (1) and the rear transmission mount bracket (2).
  19. Drain transmission fluid. Refer to Transmission Fluid Level Inspection .
  20. Disconnect the left front wheel drive shaft from the transmission. Refer to Front Wheel Drive Shaft Replacement - Left Side .
  21. Remove the front wheel drive intermediate shaft. Refer to Front Wheel Drive Intermediate Shaft Replacement .
  22. Lower the vehicle.
  23. Install the EN-47649 engine support fixture. Refer to Engine Support Fixture .

  24. 2191953
  25. Remove and DISCARD the transmission mount bolts (1) from transmission mount bracket.
  26. Lower the engine and the transmission on the left hand side with the EN-47649 engine support fixture.

  27. 2191951
  28. Remove transmission mount bracket - left side from transmission (2). Remove 3 transmission mount bracket bolts (1).
  29. Raise the vehicle.

  30. 2372843
  31. Remove 4 transmission lower bolts (1, 3).
  32. Remove transmission lower bolt and nut (2).
  33. Caution: Refer to Fastener Caution in the Preface section.

  34. Install NEW oil drain plug and tighten to 20 N·m 15 (lb ft).

  35. 2027509
  36. Place DT-47648 transmission holder on CH-904 base frame and preinstall the supports as shown in the illustration.
  37. Preinstall DT-47648-2 clutch housing support (4) to position 2 on the base plate.
  38. Preinstall DT-47648-4 transmission housing support (2) to position 14 on the base plate.
  39. Preinstall DT-47648-5 left support with rear transmission swivel arm (1) to position A on the base plate.
  40. Preinstall DT-47648-5 right support with front transmission swivel arm (3) to position F on the base plate.

  41. 2191952

    Note: Before placing in position, slacken all bolt connections of the swivel arms and supports as far as the base plate. Adjust the supports for the converter housing and transmission housing using the spindles until they are as low as possible.

  42. Attach the DT-47648 transmission holder to the transmission.
  43. Align DT-47648 transmission holder under transmission.
  44. Attach swivel arms (1, 2) to transmission.
  45. Note: Align the swivel arms so that as little leverage as possible is created.

  46. Tighten the bolt connections of the swivel arms, starting from the transmission and going as far as the base plate.
  47. Position supports for clutch housing and transmission housing to transmission by twist up the spindles.
  48. Tighten bolt connections of the supports.

  49. 2191955
  50. Remove last lower transmission bolts (1).
  51. Separate the transmission from the engine.
  52. Lower the transmission with the transmission jack and DT-47648 transmission holder far enough to remove the transmission.

Installation Procedure

  1. Raise the transmission with the transmission jack and DT-47648 transmission holder and position the transmission to the engine.

  2. 2191955
  3. Install transmission lower bolt (1) and tighten to 70 N·m (52 lb ft).
  4. Remove the transmission jack with the DT-47648 transmission holder.

  5. 2372845
  6. Install transmission lower bolt (1) and tighten to 70 N·m (52 lb ft).
  7. Install transmission lower bolt and nut (2) and tighten to 40 N·m (30 lb ft).
  8. Install transmission lower bolt (3) and tighten to 40 N·m (30 lb ft).
  9. Install 2 transmission lower bolts (4) and tighten to 45 N·m (33 lb ft).
  10. Lower the vehicle.

  11. 2191951
  12. Install transmission mount bracket - left side. Install 3 transmission mount bracket bolts (1) and tighten to 100 N·m (74 lb ft).
  13. Raise the engine and the transmission on the left hand side with the EN-47649 engine support fixture.

  14. 2191953
  15. Install the 3 NEW transmission mount bolts (1) but do not tighten yet.
  16. Raise the vehicle.
  17. Install the front wheel drive intermediate shaft. Refer to Front Wheel Drive Intermediate Shaft Replacement .
  18. Install the left front wheel drive shaft to the transmission. Refer to Front Wheel Drive Shaft Replacement - Left Side .

  19. 2191949
  20. Install the transmission mount bracket - rear (2) and tighten the bolts (1) to 100 N·m (74 lb ft).

  21. 2191948
  22. Install transmission front mount to transmission (2). Install 2 transmission front mount bolts (1) and tighten to 100 N·m (74 lb ft).
  23. Install the drivetrain and front suspension frame. Refer to Drivetrain and Front Suspension Frame Replacement .
  24. Lower the vehicle.
  25. Caution: Refer to Torque-to-Yield Fastener Caution in the Preface section.


    2191953
  26. Tighten the transmission mount bolts left side (1) to 50 N·m + 60° - 75° (36 lb ft + 60° - 75°).
  27. Remove the EN-47649 engine support fixture . Refer to Engine Support Fixture .

  28. 2372842
  29. Install the upper transmission bolts (1) to engine and tighten to 70 N·m (52 lb ft).

  30. 2191940
  31. Connect the clutch actuator cylinder front pipe (2) to the clutch actuator cylinder pipe elbow.
  32. Install the clutch actuator cylinder front pipe retainer (1) to the clutch actuator cylinder pipe elbow.

  33. 2191942
  34. Connect the electrical connector (1) to the reverse lamp switch.
  35. Install the transmission gear shift lever cable to transmission. Refer to Manual Transmission Shift Lever and Selector Lever Cable Replacement .
  36. Adjust the gear lever and selector lever cables. Refer to Manual Gearbox Gear Lever and Selector Lever Cable Adjustment .
  37. Bleed the clutch hydraulic system. Refer to Hydraulic Clutch System Bleeding .
  38. Inspect the transmission fluid level. Refer to Transmission Fluid Level Inspection .
  39. Install the battery tray. Refer to Battery Tray Replacement .
  40. Road test the vehicle.
   


© Copyright Chevrolet. All rights reserved