To the top of the document
Cruze
   
GMDE Start Page Load static TOC Load dynamic TOC Help?

Transmission Replacement — 1.6L LXT, L2W, LDE and 1.8L 2H0

Special Tools

    • CH-904 Base Frame
    • DT-47648 Transmission Holder
    • EN-47649 Engine Support Fixture
    • CH-49290 Mounting Engine/Transmission

For equivalent regional tools, refer to Special Tools .

Removal Procedure

  1. Remove the battery tray. Refer to Battery Tray Replacement .
  2. Remove the transmission range selector lever cable and bracket. Refer to Range Selector Lever Cable Bracket Replacement .
  3. Drain the transmission fluid.

  4. 1999448
  5. Disconnect the control valve body transmission control module (TCM) electrical connector (1), then unclip the connector from the transmission.

  6. 1998666
  7. Remove the oil cooler inlet (1) and outlet (5) pipes from the retainer (2) on the control valve body cover.
  8. Remove the transmission fluid cooler inlet pipe nut (3) from the transmission.
  9. Remove the transmission fluid cooler inlet pipe (1) from the transmission.
  10. Remove the transmission fluid cooler outlet pipe nut (4) from the transmission.
  11. Remove the transmission fluid cooler outlet pipe (5) from the transmission.
  12. Plug and/or cap the pipes and transmission to prevent contamination.

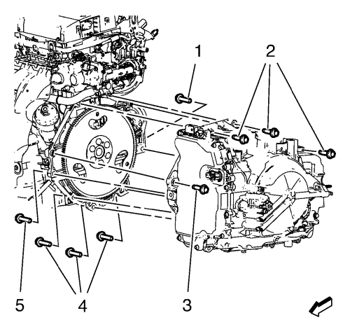
  13. 2028308
  14. Remove the upper transmission to engine bolts (2).
  15. Install the EN-47649 engine support fixture. Refer to Engine Support Fixture .
  16. Raise and support the vehicle. Refer to Lifting and Jacking the Vehicle .
  17. Install the CH-49290 mounting engine/transmission. Refer to Engine/Transmission Mounting .
  18. Remove the drivetrain and front suspension frame. Refer to Drivetrain and Front Suspension Frame Replacement .
  19. Disconnect the left front wheel drive shaft from the transmission. Refer to Front Wheel Drive Shaft Replacement - Left Side .
  20. Disconnect the right front wheel drive shaft from the front wheel intermediate drive shaft. Refer to Front Wheel Drive Shaft Replacement - Right Side .
  21. Remove the front wheel drive intermediate shaft from the transmission. Refer to Front Wheel Drive Intermediate Shaft Replacement .
  22. Remove the rear transmission mount bracket from the transmission. Refer to Transmission Mount Bracket Replacement - Rear .
  23. Remove the transmission front mount from the transmission. Refer to Transmission Front Mount Replacement .

  24. 2001293
  25. Remove the starter motor. Refer to Starter Replacement : 2.0L Diesel LNP with MT → 2.0L Diesel LNP with AT → 1.4L LDD, LUH, and LUJ → 1.6L LDE, LXV, 1.8L 2H0, and LUW → 1.6L LXT,L2W → 2.0L Diesel LLW .
  26. Mark the relationship of the flywheel to the torque converter for reassembly.
  27. Remove the torque converter to flywheel bolts (1).
  28. Lower the vehicle.
  29. Remove the 3 left transmission mount bolts from the transmission. Refer to Transmission Mount Replacement - Left Side .
  30. Lower the engine and the transmission on the left hand side with the EN-47649 engine support fixture to allow clearance for removal.
  31. Unclip the engine wiring harness from the transmission.
  32. Raise the vehicle.

  33. 2027509
  34. Place DT-47648 transmission holder on CH-904 base frame and preinstall the supports as shown in the illustration.
  35. Preinstall DT-47648-2 converter housing support (4) to position 1 on the base plate.
  36. Preinstall DT-47648-4 transmission housing support (2) to position 14 on the base plate.
  37. Preinstall DT-47648-5 left support with rear transmission swivel arm (1) to position A on the base plate.
  38. Preinstall DT-47648-5 right support with front transmission swivel arm (3) to position F on the base plate.

  39. 2027495

    Note: Before placing in position, slacken all bolt connections of the swivel arms and supports as far as the base plate. Adjust the supports for the converter housing and transmission housing using the spindles until they are as low as possible.

  40. Attach the DT-47648 transmission holder to the transmission.
  41. Align DT-47648 transmission holder under transmission.
  42. Attach swivel arms (1, 2) to transmission.
  43. Note: Align the swivel arms so that as little leverage as possible is created.

  44. Tighten the bolt connections of the swivel arms, starting from the transmission and going as far as the base plate.
  45. Position supports for converter housing and transmission housing on transmission by twist up the spindles (3).
  46. Tighten bolt connections of the supports.

  47. 2028308
  48. Remove the transmission bolts (1, 3, 4, 5).
  49. Note: Insure the torque converter remains securely in place on the transmission input shaft while separating and removing the transmission.

  50. Separate the transmission from the engine.
  51. Lower the transmission with the transmission jack and DT-47648 transmission holder far enough to remove the transmission.

Installation Procedure

  1. Raise the transmission with the transmission jack and DT-47648 transmission holder and position the transmission to the engine.
  2. Caution: Refer to Fastener Caution in the Preface section.


    2028308
  3. Install the transmission bolts (1, 3) and tighten to 70 N·m (52 lb ft).
  4. Install the transmission bolts (4, 5) and tighten to 45 N·m (33 lb ft).
  5. Remove the transmission jack with the DT-47648 transmission holder.
  6. Lower the vehicle.
  7. Raise the engine and the transmission on the left hand side with the EN-47649 engine support fixture.
  8. Install the transmission mount bolts but do not tighten yet.
  9. Raise the vehicle.

  10. 2001293

    Note: If reusing the torque converter bolts, clean the threads and apply threadlocker to the threads prior to installation.

  11. Install the torque converter to flywheel bolts (1) and tighten to 60 N·m (44 lb ft).
  12. Install the starter motor. Refer to Starter Replacement : 2.0L Diesel LNP with MT → 2.0L Diesel LNP with AT → 1.4L LDD, LUH, and LUJ → 1.6L LDE, LXV, 1.8L 2H0, and LUW → 1.6L LXT,L2W → 2.0L Diesel LLW .
  13. Install the rear transmission mount bracket to the transmission. Refer to Transmission Mount Bracket Replacement - Rear .
  14. Install the transmission front mount to the transmission. Refer to Transmission Front Mount Replacement .
  15. Install the front wheel drive intermediate shaft to the transmission. Refer to Front Wheel Drive Intermediate Shaft Replacement .
  16. Connect the right front wheel drive shaft to the front wheel intermediate drive shaft. Refer to Front Wheel Drive Shaft Replacement - Right Side .
  17. Install the left front wheel drive shaft to the transmission. Refer to Front Wheel Drive Shaft Replacement - Left Side .
  18. Install the drivetrain and front suspension frame. Refer to Drivetrain and Front Suspension Frame Replacement .

  19. 2028308
  20. Install the upper transmission to engine bolts (2) and tighten to 70 N·m (52 lb ft).

  21. 1998666
  22. Install the transmission fluid cooler outlet pipe (5) to the transmission.
  23. Install the transmission fluid cooler outlet pipe nut (4) and tighten to 22 N·m (16 lb ft).
  24. Install the transmission fluid cooler inlet pipe (1) to the transmission.
  25. Install the transmission fluid cooler inlet pipe nut (3) and tighten to 22 N·m (16 lb ft).
  26. Install the oil cooler inlet (1) and outlet (5) pipes to the retainer (2) on the control valve body cover.

  27. 1999448
  28. Connect the control valve body transmission control module (TCM) electrical connector (1).
  29. Install the transmission range selector lever cable and bracket. Refer to Range Selector Lever Cable Bracket Replacement .
  30. Adjust the automatic transmission range selector lever cable. Refer to Range Selector Lever Cable Adjustment .
  31. Fill the transmission with fluid. Refer to Transmission Fluid Level and Condition Check .
  32. Install the battery tray. Refer to Battery Tray Replacement .
  33. Road test the vehicle.
   


© Copyright Chevrolet. All rights reserved