To the top of the document
Cruze
   
GMDE Start Page Load static TOC Load dynamic TOC Help?

Air Inlet Housing Replacement

Removal Procedure

  1. Remove heater and air conditioning evaporator and blower module. Refer to Heater and Air Conditioning Evaporator Case Replacement .

  2. 2027919
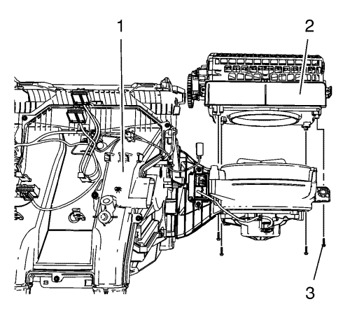
  3. Remove air inlet housing (2) from heater and air conditioning evaporator and blower module (1).
  4. •  Disconnect electrical connectors.
    • Remove 4 air inlet housing bolts (3).
  5. Remove air inlet valve actuator. Refer to Air Inlet Valve Actuator Replacement : Right Hand Drive → Left Hand Drive .
  6. Remove air inlet valve and inside air valve control cam. Refer to Air Inlet Valve and Inside Air Valve Control Cam Replacement : Left Hand Drive → Right Hand Drive .

Installation Procedure

  1. Install air inlet valve and inside air valve control cam. Refer to Air Inlet Valve and Inside Air Valve Control Cam Replacement : Left Hand Drive → Right Hand Drive .
  2. Install air inlet valve actuator. Refer to  Air Inlet Valve Actuator Replacement : Right Hand Drive → Left Hand Drive .
  3. Caution: Refer to Fastener Caution in the Preface section.


    2027919
  4. Install air inlet housing (2) to heater and air conditioning evaporator and blower module (1).
  5. •  Connect electrical connectors.
    • Install 4 air inlet housing bolts (3) and tighten to 2.5 N·m (22 lb in).
  6. Install heater and air conditioning evaporator and blower module. Refer to Heater and Air Conditioning Evaporator Case Replacement .
   


© Copyright Chevrolet. All rights reserved