To the top of the document
Cruze
   
GMDE Start Page Load static TOC Load dynamic TOC Help?

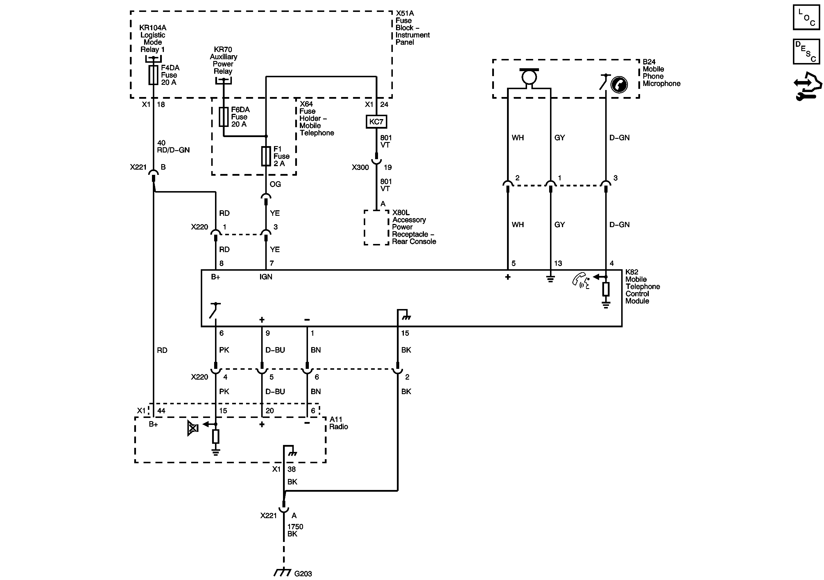
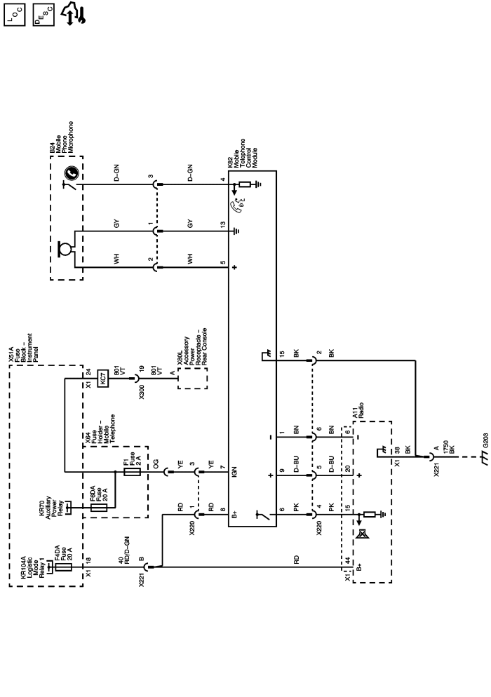
Cellular Telephone Schematics

Bluetooth (Holden Genuine Accessory)



            |                         |            
2446844EN.png

Display graphic

   


© Copyright Chevrolet. All rights reserved