To the top of the document
Cruze
   
GMDE Start Page Load static TOC Load dynamic TOC Help?

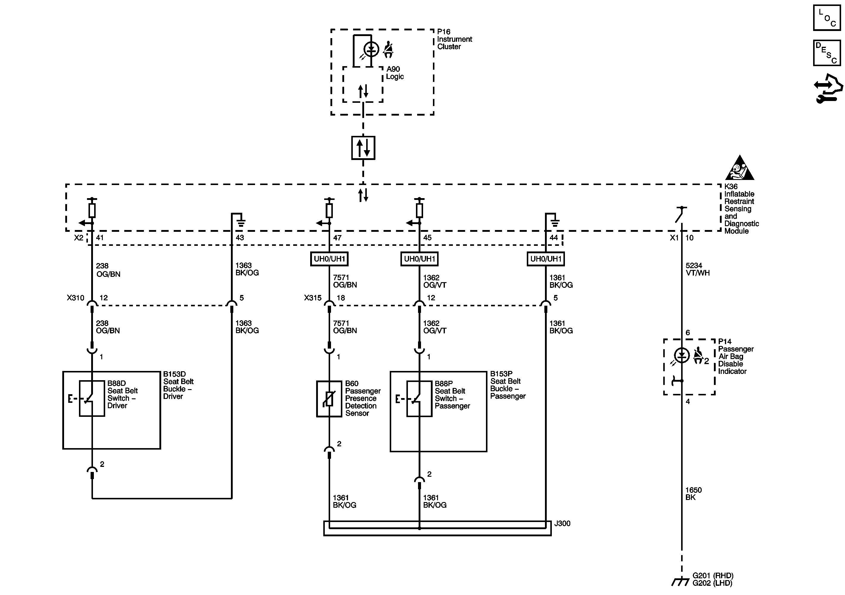
Seat Belt Schematics

Seat Belt Switches and Indicators



            |                         |            
2443775EN.png

Display graphic

Master Electrical Component List

Seat Belt System Description and Operation

Control Module References

Data Communication Schematics

Master Electrical Schematic Icons

Ground Distribution Schematics

   


© Copyright Chevrolet. All rights reserved