To the top of the document
Cruze
   
GMDE Start Page Load static TOC Load dynamic TOC Help?

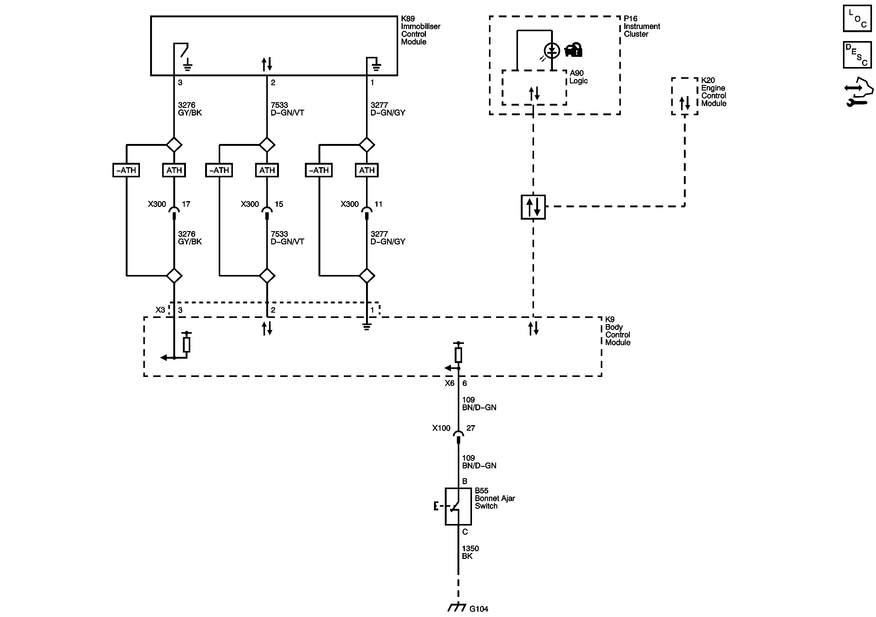
Immobiliser Schematics

Immobiliser



            |                         |            
2443755EN.png

Display graphic

Master Electrical Component List

Immobiliser Description and Operation

Control Module References

Data Communication Schematics

G103, G104, and G105

   


© Copyright Chevrolet. All rights reserved