To the top of the document
Cruze
   
GMDE Start Page Load static TOC Load dynamic TOC Help?

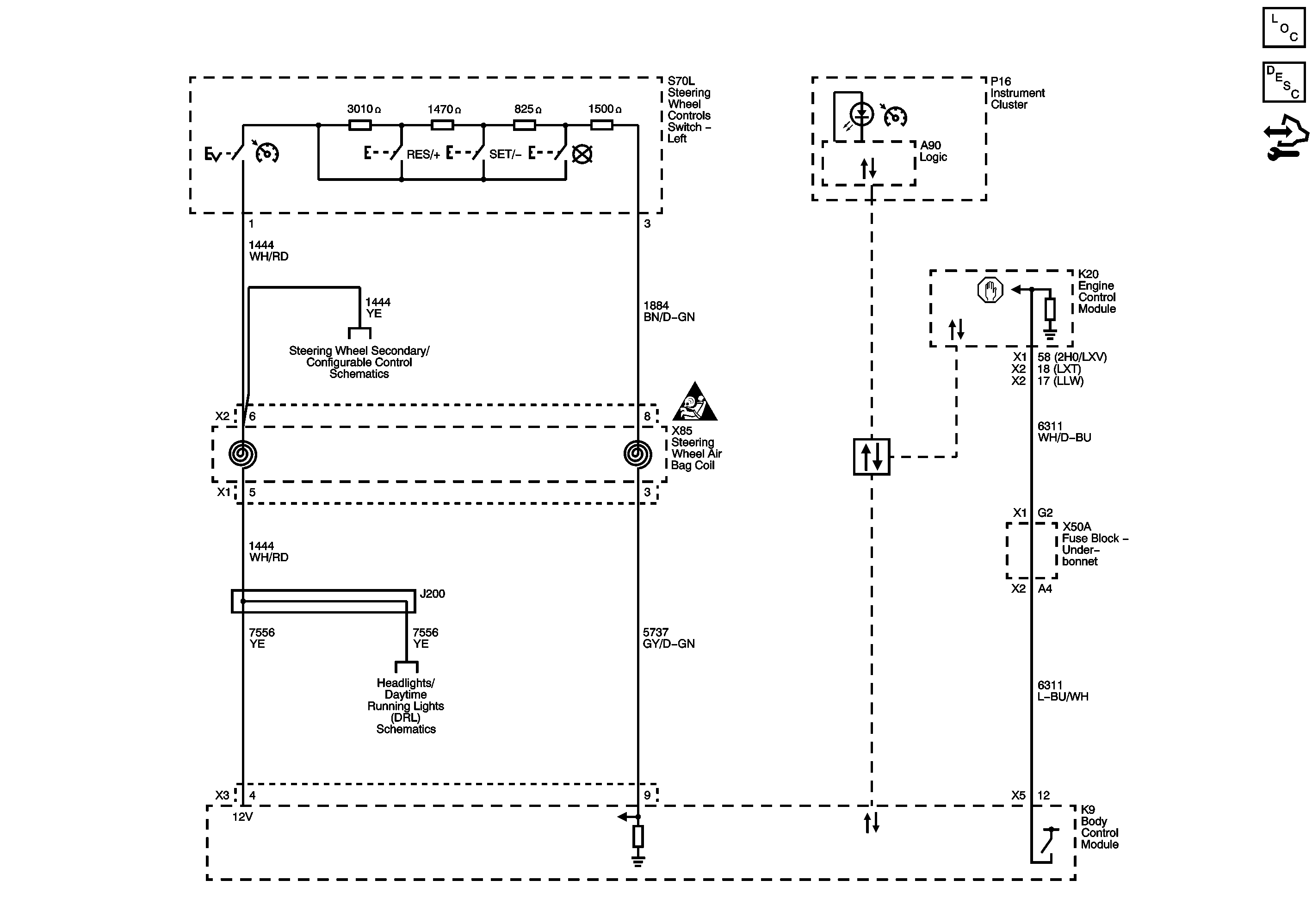
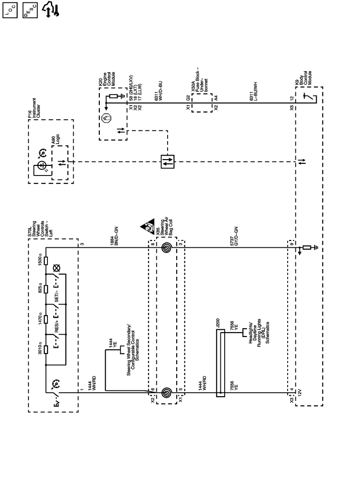
Cruise Control Schematics

K34



            |                         |            
2443539EN.png

Display graphic

Master Electrical Component List

Cruise Control Description and Operation

Control Module References

Data Communication Schematics

   


© Copyright Chevrolet. All rights reserved