To the top of the document
Cruze
   
GMDE Start Page Load static TOC Load dynamic TOC Help?

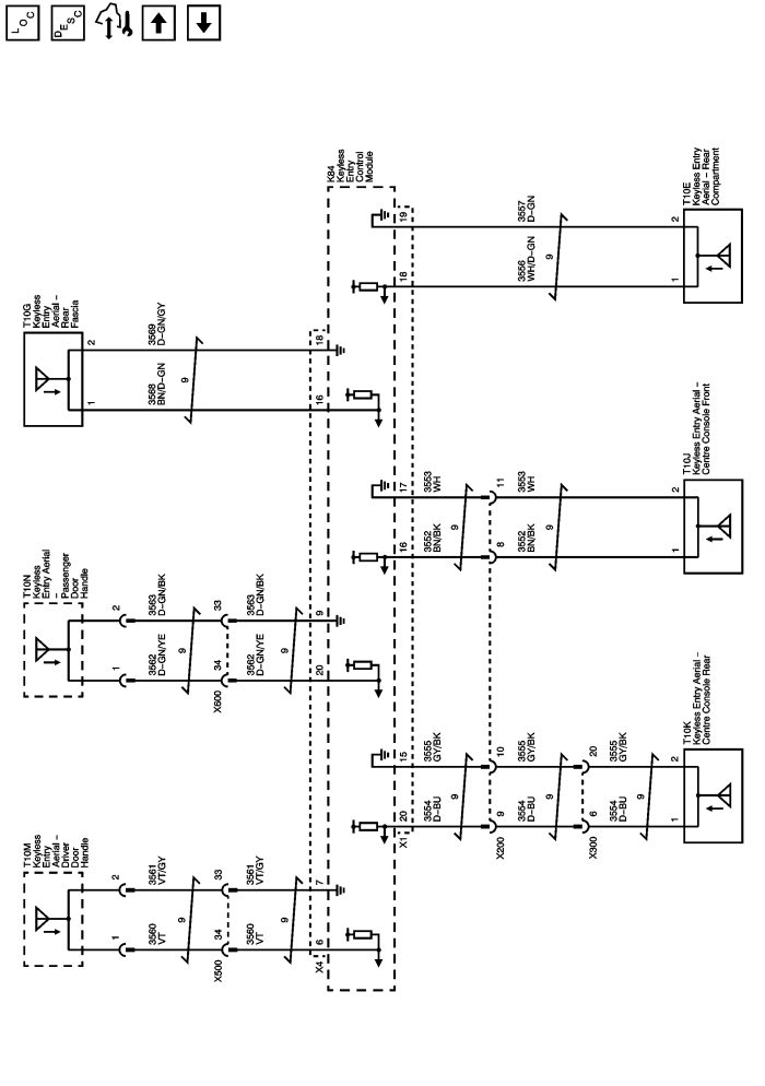
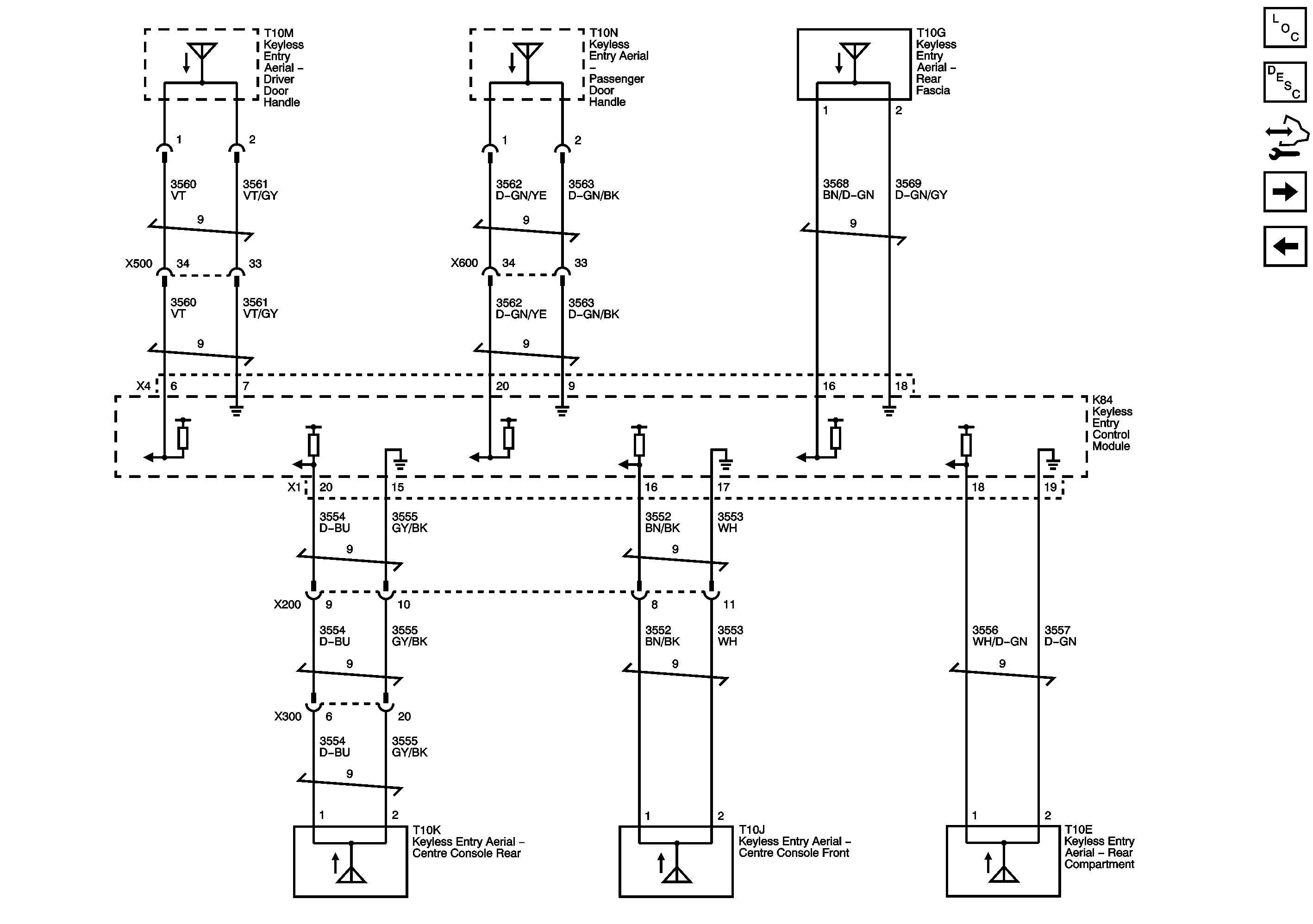
Passive Entry and Passive Start Aerials (ATH)



            |                         |            
2443766EN.png

Display graphic

   


© Copyright Chevrolet. All rights reserved