To the top of the document
Cruze
   
GMDE Start Page Load static TOC Load dynamic TOC Help?

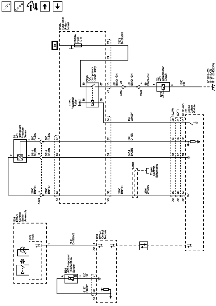
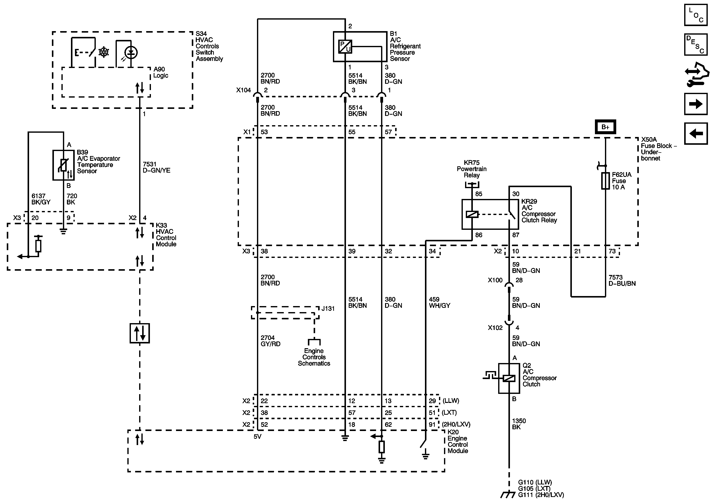
Evaporator Temperature Sensor and Compressor Controls



            |                         |            
2443704EN.png

Display graphic

Master Electrical Component List

Manual HVAC Description and Operation

Control Module References

Compressor Controls (LXT)

Air Delivery and Temperature Controls

   


© Copyright Chevrolet. All rights reserved