To the top of the document
Cruze
   
GMDE Start Page Load static TOC Load dynamic TOC Help?

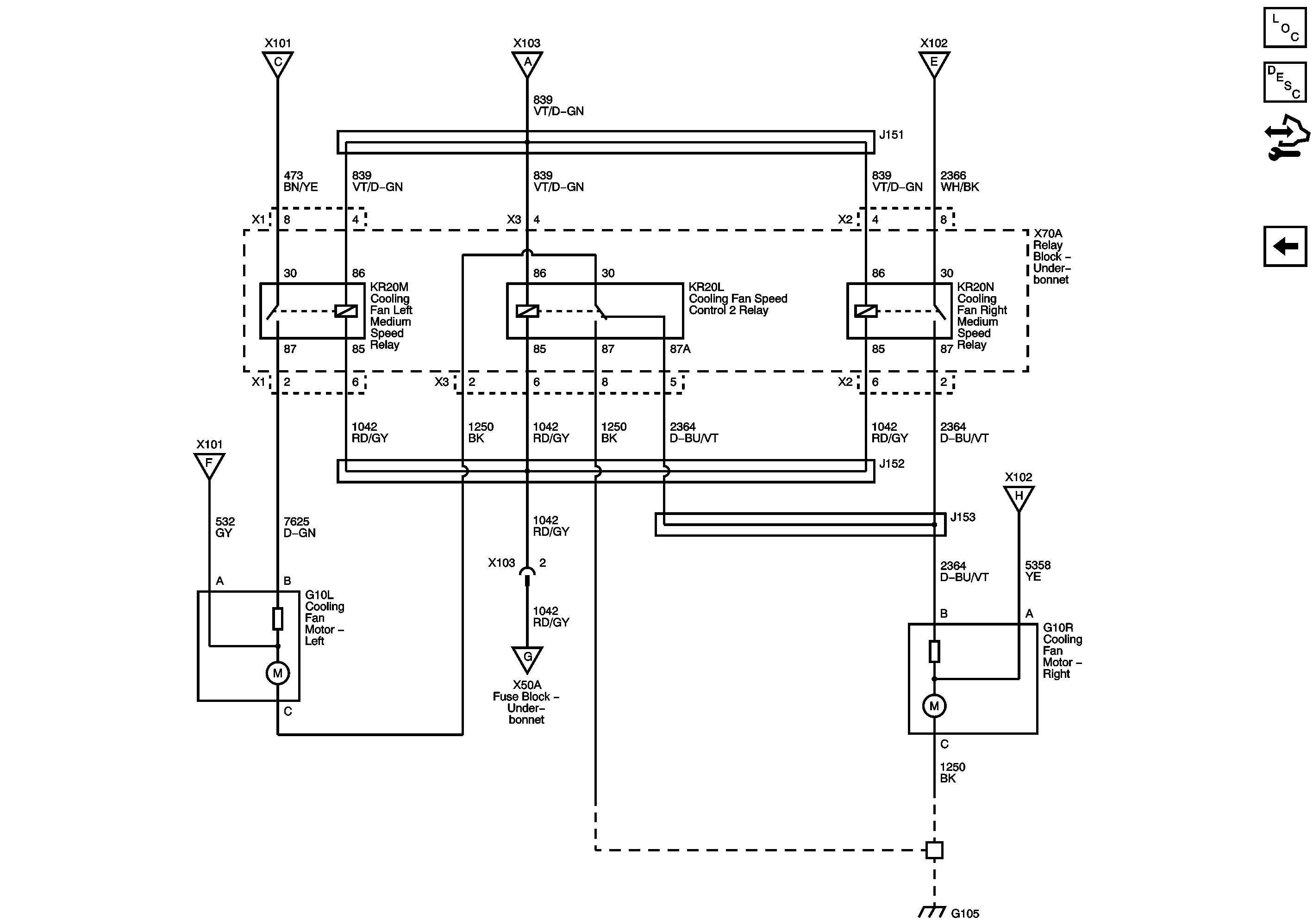
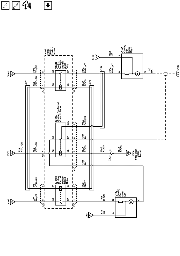
LLW (2 of 2)



            |                         |            
2443687EN.png

Display graphic

Master Electrical Component List

Cooling System Description and Operation 2.0L Diesel LLW

Control Module References

LLW (1 of 2)

Electrical Centre Identification Views

G103, G104, and G105

   


© Copyright Chevrolet. All rights reserved