To the top of the document
Cruze
   
GMDE Start Page Load static TOC Load dynamic TOC Help?

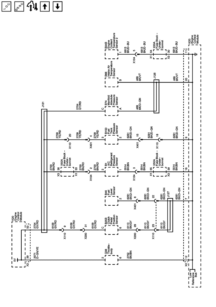
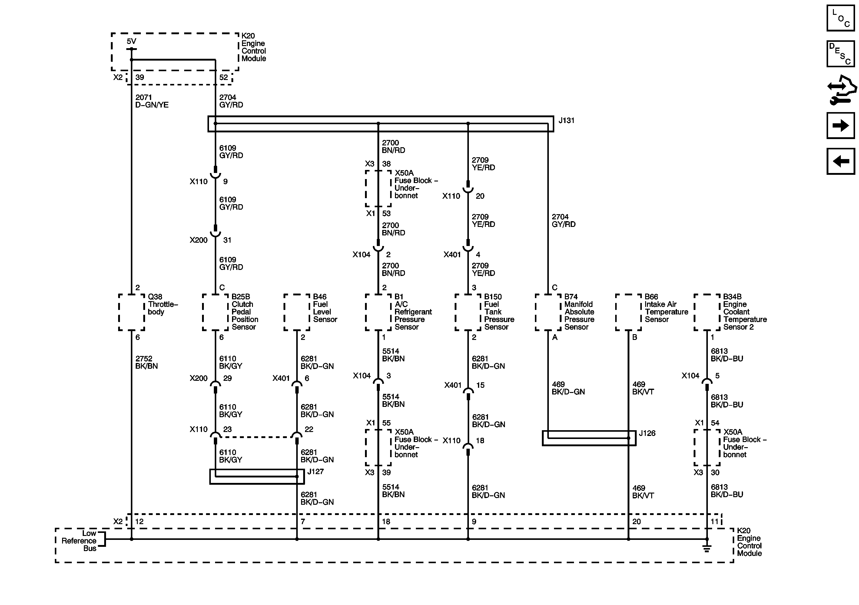
5V and Low Reference Bus (2 of 2)



            |                         |            
2443583EN.png

Display graphic

Master Electrical Component List

Engine Control Module Description

Control Module References

Engine Data Sensors - Pressure and Temperature Controls

5V and Low Reference Bus (1 of 2)

   


© Copyright Chevrolet. All rights reserved