To the top of the document
Cruze
   
GMDE Start Page Load static TOC Load dynamic TOC Help?

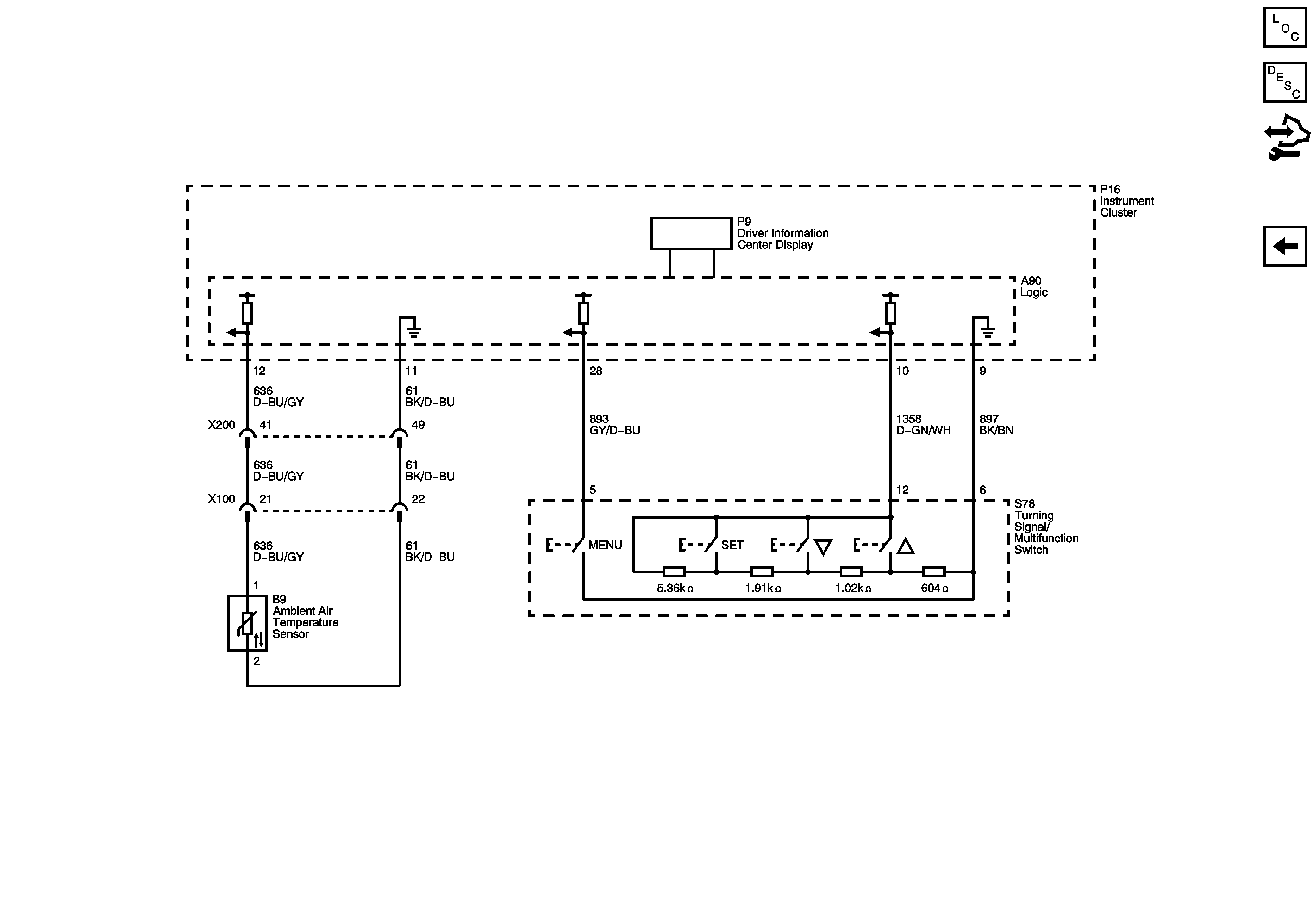
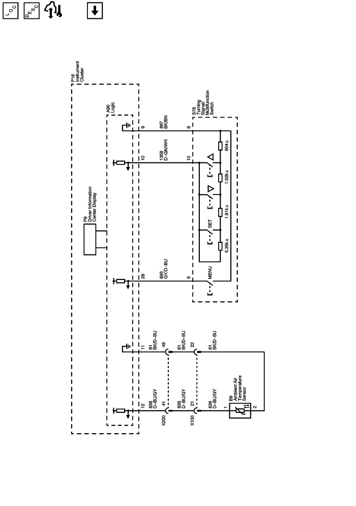
Air Temperature and Driver Information Centre



            |                         |            
2443526EN.png

Display graphic

Master Electrical Component List

Instrument Cluster Description and Operation

Control Module References

Indicators

   


© Copyright Chevrolet. All rights reserved