To the top of the document
Cruze
   
GMDE Start Page Load static TOC Load dynamic TOC Help?

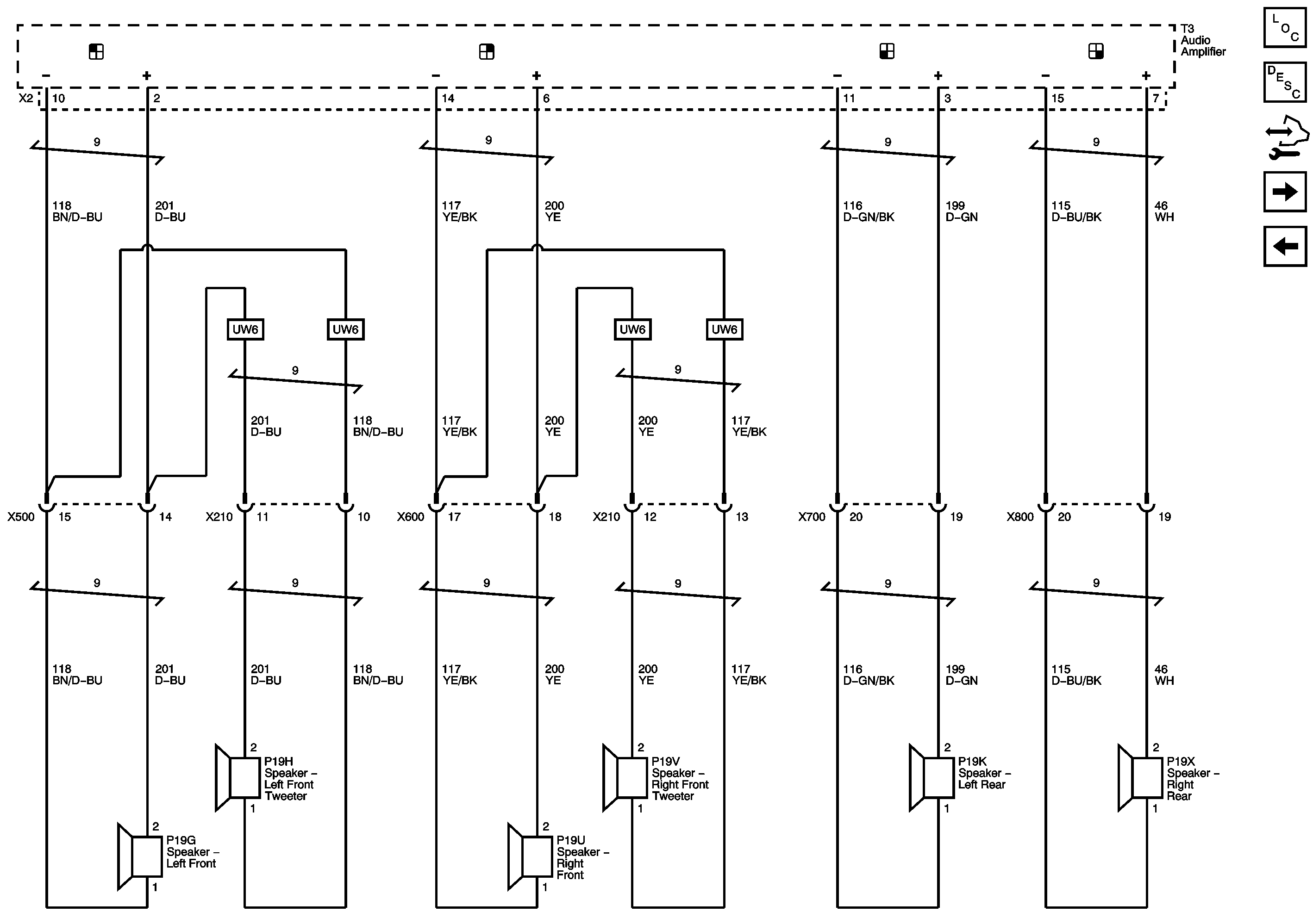
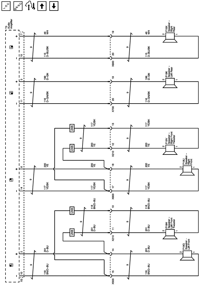
Door Speakers (LHD with UQG)



            |                         |            
2443505EN.png

Display graphic

Master Electrical Component List

Radio/Audio System Description and Operation

Control Module References

Door Speakers (RHD with UQG)

Amplifier (UQG)

Master Electrical Schematic Icons

   


© Copyright Chevrolet. All rights reserved