To the top of the document
Cruze
   
GMDE Start Page Load static TOC Load dynamic TOC Help?

Generator Replacement — 2.0L Diesel LLW

Removal Procedure

  1. Remove the engine cover. Refer to Engine Cover Replacement .
  2. Remove the air cleaner outlet front duct. Refer to Air Cleaner Outlet Front Duct Replacement .
  3. Remove the drive belt. Refer to Alternator, Air Conditioning Compressor, and Power Steering Pump Belt Replacement .
  4. Remove the radiator. Refer to Radiator Replacement : 2.0L Diesel LNP and MT → 2.0L Diesel LNP and AT → LDE, LLU, and LUJ with AT → 2.0L Diesel LLW → LDE, LXV,LUW, L2W, 2H0- AT → LDE, LXV LUW, L2W, 2H0 - MT → 1.6L LDE, LXT, LXV, 1.8L 2H0, and LUW .
  5. Remove the air conditioning condenser. Refer to Air Conditioning Condenser Replacement : 2.0L Diesel LNP → LDE, LLU, LUJ, LXT, LXV, L2W and 2H0 → 2.0L Diesel LLW .
  6. Remove the charge air cooler. Refer to Charge Air Cooler Replacement : 2.0L Diesel LNP → 1.4L LUH, LUJ - AT → 2.0L Diesel LLW → 1.4L LUH, LUJ - M32-6 MZ4 .

  7. 2027803
  8. Disconnect the generator wiring harness plug (1) from the generator (2).

  9. 2027757
  10. Remove the rubber cap (3) from the positive cable generator connector.
  11. Remove the positive cable nut (2) from generator (4).
  12. Remove the positive cable (1) from generator (4).

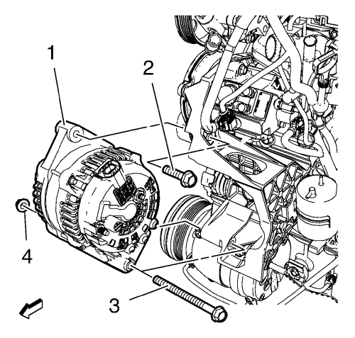
  13. 2027811
  14. Remove the upper generator bolt (2).
  15. Remove the generator nut (4) and lower generator bolt (3).
  16. Remove the generator (1).

Installation Procedure


    2027811
  1. Install the generator (1).
  2. Caution: Refer to Fastener Caution in the Preface section.

  3. Install the generator nut (4) and lower generator bolt (3) and tighten to 58 N·m (43 lb ft).
  4. Install the upper generator bolt (2) and tighten to 58 N·m (43 lb ft).

  5. 2027757
  6. Install the positive cable (1) at the generator (4).
  7. Install the positive cable nut (2) at the generator (4) and tighten to 9 N·m (80 lb in).
  8. Install the rubber cap (3) at the positive cable generator connector.

  9. 2027803
  10. Connect the generator wiring harness plug (1) at the generator (2).
  11. Install the charge air cooler. Refer to Charge Air Cooler Replacement : 2.0L Diesel LNP → 1.4L LUH, LUJ - AT → 2.0L Diesel LLW → 1.4L LUH, LUJ - M32-6 MZ4 .
  12. Install the air conditioning condenser. Refer to Air Conditioning Condenser Replacement : 2.0L Diesel LNP → LDE, LLU, LUJ, LXT, LXV, L2W and 2H0 → 2.0L Diesel LLW .
  13. Install the radiator. Refer to Radiator Replacement : 2.0L Diesel LNP and MT → 2.0L Diesel LNP and AT → LDE, LLU, and LUJ with AT → 2.0L Diesel LLW → LDE, LXV,LUW, L2W, 2H0- AT → LDE, LXV LUW, L2W, 2H0 - MT → 1.6L LDE, LXT, LXV, 1.8L 2H0, and LUW .
  14. Install the drive belt. Refer to Alternator, Air Conditioning Compressor, and Power Steering Pump Belt Replacement .
  15. Install the air cleaner outlet front duct. Refer to Air Cleaner Outlet Front Duct Replacement .
  16. Install the engine cover. Refer to Engine Cover Replacement .
   


© Copyright Chevrolet. All rights reserved