To the top of the document
Cruze
   
GMDE Start Page Load static TOC Load dynamic TOC Help?

Input Speed Sensor Replacement

Removal Procedure

  1. Remove the control solenoid valve and transmission control module assembly. Refer to Control Solenoid Valve and Transmission Control Module Assembly Replacement .

  2. 1998829
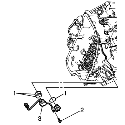
  3. Disconnect the input speed sensor electrical connector (1).

  4. 1998841
  5. Remove the input speed sensor bolt (2) M6 x 23.
  6. Remove the input speed sensor (3).
  7. Remove the 3 input speed sensor seals (1).

Installation Procedure


    1998841
  1. Install the 3 input speed sensor seals (1).
  2. Install the input speed sensor (3).
  3. Caution: Refer to Fastener Caution in the Preface section.

  4. Install the input speed sensor bolt (2) M6 x 23 and tighten to 12 N·m (106 lb in).
  5. Connect the input speed sensor electrical connector.
  6. Install the control solenoid valve and transmission control module assembly. Refer to Control Solenoid Valve and Transmission Control Module Assembly Replacement .
  7. Perform the transmission adaptive values learn procedure. Refer to Transmission Adaptive Values Learn .

   


© Copyright Chevrolet. All rights reserved