To the top of the document
Cruze
   
GMDE Start Page Load static TOC Load dynamic TOC Help?

Manual Shift Detent Lever with Shaft Position Switch Assembly Replacement

Special Tools

DT-41229 Manual Shaft Pin Installer

For equivalent regional tools, refer to Special Tools .

Removal Procedure

  1. Remove the control valve body. Refer to Control Valve Body Replacement .

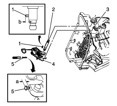
  2. 1998834
  3. Remove the manual shaft detent lever hub pin (1) using a crowbar and pliers.
  4. Remove and DISCARD the manual shift shaft pin (5).
  5. Remove the manual shaft (2).
  6. Disconnect the actuator rod (3) from the detent lever assembly. Do not remove the actuator rod from the transmission case.
  7. Remove the manual shaft detent (with shift position switch) lever assembly (4).

Installation Procedure


    1998832
  1. Connect the actuator rod (3) to the detent lever assembly.
  2. Install the manual shaft detent (with shift position switch) lever assembly (4).
  3. Install the manual shaft (2).
  4. Install the manual shaft detent lever hub pin (1) to height of 7.9 mm (0.38 in) (b).
  5. Caution: Use J 41229 to install the manual shaft pin at the correct height in order to properly secure the manual shaft. If you install the pin too deep, the case bore may crack.

  6. Install the NEW manual shift shaft pin (5) using DT-41229 pin installer. Use a NEW pin to ensure proper engagement with the case.
  7. Inspect pin installed height is within 7.2-8.2 mm (0.28-0.32 in) (a).
  8. Install the control valve body. Refer to Control Valve Body Replacement .
  9. Perform the transmission adaptive values learn procedure. Refer to Transmission Adaptive Values Learn .
   


© Copyright Chevrolet. All rights reserved