To the top of the document
Cruze
   
GMDE Start Page Load static TOC Load dynamic TOC Help?

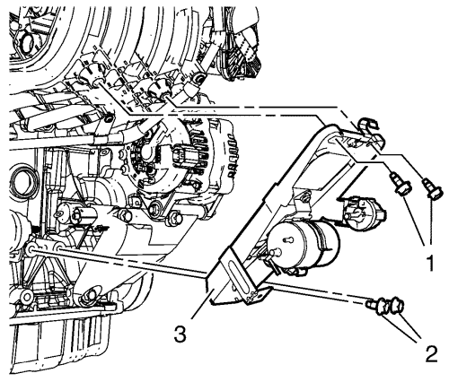
Inlet Manifold Brace Installation


    2188946
  1. Install the inlet manifold brace (3).
  2. Caution: Refer to Fastener Caution in the Preface section.

  3. Install the 2 intake manifold brace bolts (2) and tighten to 58 N·m (43 lb ft).
  4. Install the 2 intake manifold brace bolts (1) and tighten to 22 N·m (16 lb ft).

  5. 2188945
  6. Connect the 3 vacuum hoses (1).
   


© Copyright Chevrolet. All rights reserved