To the top of the document
Cruze
   
GMDE Start Page Load static TOC Load dynamic TOC Help?

Rear Seat Centre Shoulder Belt Replacement


2027545

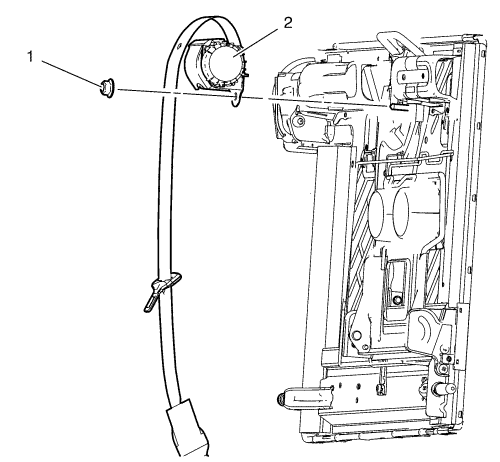
Callout

Component Name

Preliminary Procedures

Remove the right rear seat backrest cushion cover and pad. Refer to Rear Seat Back Cushion Cover and Pad Replacement - Right Side .

1

Rear Seat Centre Shoulder Belt Nut

Caution: Refer to Fastener Caution in the Preface section.

Tighten
45 N·m (33 lb ft)

2

Rear Seat Centre Shoulder Belt

   


© Copyright Chevrolet. All rights reserved