To the top of the document
Cruze
   
GMDE Start Page Load static TOC Load dynamic TOC Help?

Air Cleaner Inlet Duct Replacement

Removal Procedure

  1. Remove the front bumper fascia. Refer to Front Bumper Fascia Replacement .

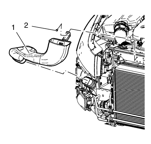
  2. 2027420
  3. Remove the inlet air duct bolt (2).
  4. Remove the inlet air duct (1).

Installation Procedure


    2027420
  1. Install the inlet air duct (1).
  2. Caution: Refer to Fastener Caution in the Preface section.

  3. Install the inlet air duct bolt (2) and tighten the to 5 N·m (45 lb in).
  4. Install the front bumper fascia. Refer to Front Bumper Fascia Replacement .
   


© Copyright Chevrolet. All rights reserved