|
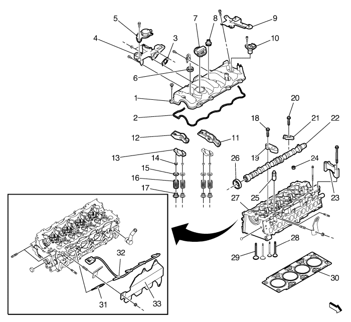
| (1) | Camshaft Cover |
| (2) | Camshaft Cover Gasket |
| (3) | PCV Adapter Gasket |
| (4) | PCV Adapter |
| (5) | PCV Valve |
| (6) | Injector Seal |
| (7) | Oil Filler Cap |
| (8) | Injector Bracket Plug |
| (9) | Engine Beauty Cover Bracket |
| (10) | Camshaft Position Sensor |
| (11) | Exhaust Roller Finger-Follower |
| (12) | Inlet Roller Finger-Follower |
| (13) | Valve Lifter Bridge |
| (14) | Valve Stem Key |
| (15) | Valve Spring Retainer |
| (16) | Valve Spring |
| (17) | Valve Stem Oil Seal |
| (18) | Camshaft Bearing Cap Bolt |
| (19) | Camshaft Bearing Cap |
| (20) | Fuel Injector Bracket Bolt |
| (21) | Fuel Injector Bracket |
| (22) | Camshaft |
| (23) | Camshaft Bearing Cap |
| (24) | Plug |
| (25) | Hydraulic Valve Clearance Adjuster |
| (26) | Camshaft Front Oil Seal |
| (27) | Cylinder Head |
| (28) | Exhaust Valve |
| (29) | Inlet Valve |
| (30) | Cylinder Head Gasket |
| (31) | Glow Plug |
| (32) | Diesel Glow Plug Wiring Harness |
| (33) | Glow Plug Heat Shield |