To the top of the document
Cruze
   
GMDE Start Page Load static TOC Load dynamic TOC Help?

Front Suspension Components

Front Suspension Components


2028235
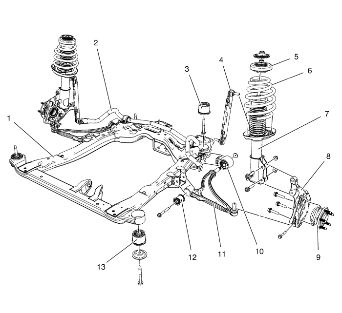
(1)Drivetrain and Front Suspension Frame
(2)Front Stabiliser Shaft
(3)Drivetrain and Front Suspension Frame Rear Insulator
(4)Front Stabiliser Shaft Link
(5)Front Suspension Strut Insulator Assembly
(6)Front Spring
(7)Shock Absorber Assembly
(8)Steering Knuckle
(9)Front Wheel Bearing/Hub Assembly
(10)Front Lower Control Arm Rear Bushing
(11)Front Lower Control Arm
(12)Front Lower Control Arm Bushing
(13)Drivetrain and Front Suspension Frame Rear Insulator
   


© Copyright Chevrolet. All rights reserved