To the top of the document
Cruze
   
GMDE Start Page Load static TOC Load dynamic TOC Help?

Transmission Replacement

Special Tools

    • CH-904 Base Frame
    • DT-47648 Transmission Holder
    • EN-47649 Engine Support Fixture
    • CH-49290 Mounting Engine/Transmission

For equivalent regional tools, refer to Special Tools .

Removal Procedure

  1. Remove battery tray. Refer to Battery Tray Replacement .

  2. 2027911
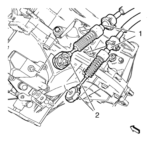
  3. Disconnect the gear lever and selector lever cables from the selector control lever (2) and from the selector and gear lever cable bracket (1).

  4. 2028234

    Note: Before disconnecting the clutch actuator cylinder front pipe, remove the clutch/brake fluid from the reservoir tank.

  5. Remove the clutch actuator cylinder front pipe retainer (1).
  6. Disconnect the clutch actuator cylinder front pipe (2) from the clutch actuator cylinder pipe elbow.


    2027601
  7. Disconnect the electrical connector (1) from the speedometer driven gear (2).
  8. Disconnect the electrical connector from the reverse lamp switch.

  9. 2028236
  10. Remove the upper transmission bolts (1).
  11. Install the EN-47649 support fixture. Refer to Engine Support Fixture .
  12. Raise and support the vehicle. Refer to Lifting and Jacking the Vehicle .
  13. Install the CH-49290 mounting engine/transmission. Refer to Engine/Transmission Mounting
  14. Remove the drivetrain and front suspension frame. Refer to Drivetrain and Front Suspension Frame Replacement .
  15. Disconnect the left front wheel drive shaft from the transmission. Refer to Front Wheel Drive Shaft Replacement - Left Side .
  16. Disconnect the right front wheel drive shaft from the front wheel drive intermediate shaft. Refer to Front Wheel Drive Shaft Replacement - Right Side .
  17. Remove the front wheel drive intermediate shaft. Refer to Front Wheel Drive Intermediate Shaft Replacement .

  18. 2027722
  19. Remove the transmission front mount bolts (1, 3) and the transmission front mount (2).

  20. 2027732
  21. Remove the transmission mount bracket bolts (1) and the transmission mount bracket - rear.
  22. Remove the starter. Refer to Starter Replacement : 2.0L Diesel LNP with MT → 2.0L Diesel LNP with AT → 1.4L LDD, LUH, and LUJ → 1.6L LDE, LXV, 1.8L 2H0, and LUW → 1.6L LXT,L2W → 2.0L Diesel LLW
  23. Lower the vehicle.

  24. 2027709
  25. Remove and DISCARD the transmission mount bolts (1).
  26. Lower the engine and the transmission on the left hand side with the EN-47649 support fixture.
  27. Raise the vehicle.

  28. 2027509
  29. Place DT-47648 holder on CH-904 frame and preinstall the supports as shown in the illustration.
  30. Preinstall DT-47648-2 clutch housing support (4) to position 3 on the base plate.
  31. Preinstall DT-47648-4 transmission housing support (2) to position 14 on the base plate.
  32. Preinstall DT-47648-5 left support with rear transmission swivel arm (1) to position A on the base plate.
  33. Preinstall DT-47648-5 right support with front transmission swivel arm (3) to position F on the base plate.

  34. 2028253

    Note: Before placing in position, slacken all bolt connections of the swivel arms and supports as far as the base plate. Adjust the supports for the converter housing and transmission housing using the spindles until they are as low as possible.

  35. Attach the DT-47648 holder to the transmission.
  36. Align DT-47648 holder under transmission.
  37. Attach swivel arms (1, 3) to transmission.
  38. Note: Align the swivel arms so that as little leverage as possible is created.

  39. Tighten the bolt connections of the swivel arms, starting from the transmission and going as far as the base plate.
  40. Position supports for clutch housing and transmission housing on transmission by twist up the spindles (2).
  41. Tighten bolt connections of the supports.

  42. 2028252
  43. Remove the transmission bolts (1, 2, 3, 4).
  44. Separate the transmission from the engine.
  45. Lower the transmission with the transmission jack and DT-47648 holder far enough to remove the transmission.

Installation Procedure

  1. Raise the transmission with the transmission jack and DT-47648 holder and position the transmission to the engine.
  2. Caution: Refer to Fastener Caution in the Preface section.

    Caution: Refer to Torque-to-Yield Fastener Caution in the Preface section.


    2028252
  3. Install the transmission bolts (1, 4) and tighten to 75 N·m (56 lb ft).
  4. Install the transmission bolts (2, 3) and tighten to 50 N·m (37 lb ft).

  5. Remove the transmission jack with the DT-47648 holder.
  6. Lower the vehicle.
  7. Raise the engine and the transmission on the left hand side with the EN-47649 support fixture.

  8. 2027709
  9. Install the NEW transmission mount bolts (1) but do not tighten yet.
  10. Raise the vehicle.
  11. Install the starter. Refer to Starter Replacement : 2.0L Diesel LNP with MT → 2.0L Diesel LNP with AT → 1.4L LDD, LUH, and LUJ → 1.6L LDE, LXV, 1.8L 2H0, and LUW → 1.6L LXT,L2W → 2.0L Diesel LLW .

  12. 2027732
  13. Install the transmission mount bracket - rear and tighten the bolts (1) to 100 N·m (74 lb ft).
  14. Install the transmission front mount. Refer to Transmission Front Mount Replacement .
  15. Install the front wheel drive intermediate shaft. Refer to Front Wheel Drive Intermediate Shaft Replacement .
  16. Connect the right front wheel drive shaft to the front wheel drive intermediate shaft. Refer to Front Wheel Drive Shaft Replacement - Right Side .
  17. Connect the left front wheel drive shaft to the transmission. Refer to Front Wheel Drive Shaft Replacement - Left Side .
  18. Install the drivetrain and front suspension frame. Refer to Drivetrain and Front Suspension Frame Replacement .
  19. Lower the vehicle.

  20. 2027709
  21. Tighten the NEW transmission mount bolts (1) to 50 N·m + 60°-70° (37 lb ft + 60°-70°).
  22. Remove the EN-47649 support fixture. Refer to Engine Support Fixture .

  23. 2028236
  24. Install the upper transmission bolts (1) and tighten to 75 N·m (56 lb ft).

  25. 2027601
  26. Connect the electrical connector (1) to the speedometer driven gear (2).
  27. Connect the electrical connector to the reverse lamp switch.

  28. 2028234

    Note: Clutch actuator cylinder front pipe must engage noticeably.

  29. Connect the clutch actuator cylinder front pipe (2) to the clutch actuator cylinder pipe elbow.
  30. Lock the clutch actuator cylinder front pipe retainer (1).

  31. 2027911
  32. Connect the gear lever and selector lever cables to the selector control lever (2) and to the selector and gear lever cable bracket (1).
  33. Adjust the gear lever and selector lever cables. Refer to Manual Gearbox Gear Lever and Selector Lever Cable Adjustment .
  34. Bleed the clutch hydraulic system. Refer to Hydraulic Clutch System Bleeding .
  35. Inspect the transmission fluid level. Refer to Transmission Fluid Level Inspection .
  36. Install the battery tray. Refer to Battery Tray Replacement .
  37. Road test the vehicle.
   


© Copyright Chevrolet. All rights reserved