To the top of the document
Cruze
   
GMDE Start Page Load static TOC Load dynamic TOC Help?

Catalytic Converter Removal


    2027561
  1. Remove the catalytic converter heat shield bolt (1).
  2. Remove the 2 catalytic converter heat shield nuts (3).
  3. Remove the catalytic converter heat shield (2).

  4. 2027582
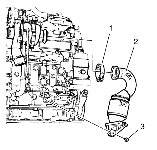
  5. Loosen the catalytic converter clamp (1).
  6. Remove the catalytic converter bracket bolt (3).
  7. Remove the catalytic converter (2).
  8. Remove the catalytic converter clamp (1).
   


© Copyright Chevrolet. All rights reserved