To the top of the document
Cruze
   
GMDE Start Page Load static TOC Load dynamic TOC Help?

Instrument Panel Upper Trim Pad Insert Replacement


2027409

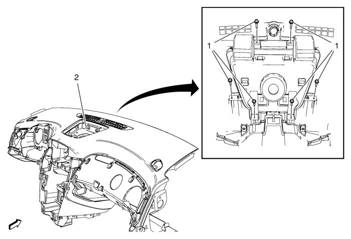
Callout

Component Name

Preliminary Procedures

Remove the instrument panel assembly. Refer to Instrument Panel Assembly Replacement .

1

Instrument Panel Upper Trim Pad Insert Screw (Qty: 6)

Caution: Refer to Fastener Caution in the Preface section.

Tighten
2.5 N·m (22 lb in)

2

Instrument Panel Upper Trim Pad Insert

   


© Copyright Chevrolet. All rights reserved