To the top of the document
Cruze
   
GMDE Start Page Load static TOC Load dynamic TOC Help?

Clutch Pressure and Driven Plate Replacement - D16 and D20

Special Tools

DT-6263 Remover/Installer

For equivalent regional tools, refer to Special Tools .

Removal Procedure

    Note: 

       • To prevent damage to the spring fangs of the pressure plate use DT-6263 remover/installer to remove and install the pressure plate.
       • Note the different lengths of the brackets for attaching DT-6263 remover/installer to the lower engine block.

  1. Remove the transmission. Refer to Transmission Replacement .

  2. 2028117

    Note:  DT-6263 remover/installer may only be attached to the engine block and not to the oil sump.

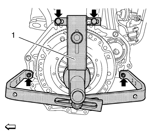
  3. Attach DT-6263 remover/installer (1) to the engine block.
  4. Note:  Do not tighten the bolts.

  5. Install the 4 bolts (arrows).

  6. 2028118
  7. Attach a suitable clutch centre guide to DT-6263-21 centring drift (2)
  8. Fasten DT-6263 remover/installer.
  9. • Align DT-6263 remover/installer in the centre.
    • Insert the DT-6263-21 centring drift with the clutch centre guide through DT-6263 remover/installer into the clutch plate and crankshaft centre (arrow).
    • Tighten the bolt (1).
    • Tighten the bolt (3).
    • Tighten the 4 bolts of DT-6263 remover/installer on the engine block.

    2028119
  10. Relieve stress on the clutch driven plate.
  11. • Move DT-6263 remover/installer (1) so that it rests against the spring tabs of the clutch driven plate.
    • Turn DT-6263 remover/installer clockwise to the stop.

    2028121
  12. Remove the clutch pressure plate (1) from the flywheel.
  13. Remove and DISCARD the 6 clutch pressure plate bolts (arrows).

  14. 2028122
  15. Detach the clutch pressure plate and driven plate.
  16. • Turn DT-6263 remover/installer (1) anticlockwise to the stop.
    • Remove the DT-6263-21 centring drift (2) with the clutch centre guide.

    2028217

    Note:  Clutch pressure plate and driven plates contaminated by foreign bodies (oil, cleaning agent etc.) must be replaced. Check clutch driven plate for damage and friction rust in the hub profile and replace if necessary. Do not clean clutch pressure plate and driven plate with a high pressure cleaner or component washing machine.

  17. Inspect the clutch pressure plate and driven plate (1) for wear, replace if necessary.
  18. Inspect the projection of the lining at the clutch lining rivets. The clutch driven plate must be replaced if the lining projection is less than 0.5 mm (0.020 in) (arrows). Also, press the clutch driven plate onto the transmission input shaft and check for ease of movement.

Installation Procedure


    2028219

    Note:  Lettering transmission side faces the transmission.

  1. Install the clutch pressure plate and driven plate to the flywheel.
  2. Centre the clutch pressure plate and driven plate with the DT-6263-21 centring drift (1) and the clutch centre guide.
  3. Note:  Do not tighten the bolts.

  4. Install 6 NEW bolts (arrows).
  5. Install the clutch pressure plate to the flywheel.

  6. 2028119
  7. Turn the DT-6263 remover/installer (1).
  8. Caution: Refer to Fastener Caution in the Preface section.

    Caution: Refer to Torque-to-Yield Fastener Caution in the Preface section.

  9. Tighten the 6 NEW bolts crosswise to 15 N·m (12 lb ft).

  10. 2028222
  11. Remove DT-6263 remover/installer (1) from the engine block.
  12. • Turn DT-6263 remover/installer (3) anticlockwise to the stop.
    • Remove the DT-6263-21 centring drift (2) and the clutch centre guide (arrow).
    • Remove the 4 bolts of DT-6263 remover/installer from the engine block.
  13. Install the transmission. Refer to Transmission Replacement .
   


© Copyright Chevrolet. All rights reserved