To the top of the document
Cruze
   
GMDE Start Page Load static TOC Load dynamic TOC Help?

Exhaust System Replacement - 1.6L LDE, LXT, LXV, 1.8L 2H0, and LUW

Special Tools

CH-6614 Chain Pipe Cutter

For equivalent regional tools, refer to Special Tools .

Removal Procedure

Warning: Refer to Exhaust Service Warning in the Preface section.

Warning: Refer to Protective Goggles and Glove Warning in the Preface section.

  1. Raise and support the vehicle. Refer to Lifting and Jacking the Vehicle .

  2. 2027893
  3. Make a cut with CH-6614 cutter (1) and separate the exhaust rear silencer (2).

  4. 2027900

    Note: A second technician is required.

  5. Remove the exhaust rear silencer (3) from the exhaust rear silencer insulator (1, 2).
  6. Remove the exhaust rear muffler.

  7. 2027832

    Note: A second technician is required.

  8. Remove the 4 exhaust pipe front hanger bracket bolts (4, 5).
  9. Remove the 2 exhaust pipe front hanger bracket insulator nuts (3).
  10. Remove the exhaust pipe front hanger bracket (2).
  11. Remove the 2 exhaust pipe front hanger bracket insulators (1).

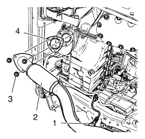
  12. 2027831

    Note: A second technician is required.

  13. Remove the heated oxygen sensor (1).
  14. Remove and DISCARD the 3 catalytic converter to exhaust pipe (2) nuts (3).
  15. Remove the catalytic converter to exhaust to exhaust pipe gasket (4).
  16. Remove the exhaust system.

Installation Procedure

Warning: Refer to Exhaust Service Warning in the Preface section.

Warning: Refer to Protective Goggles and Glove Warning in the Preface section.

    Note: A second technician is required.

  1. Install the exhaust system.

  2. 2027831
  3. Install the NEW catalytic converter to exhaust pipe gasket (4).
  4. Caution: Refer to Fastener Caution in the Preface section.

    Caution: Refer to Torque-to-Yield Fastener Caution in the Preface section.

  5. Install the 3 NEW catalytic converter to exhaust pipe (2) nuts (3) and tighten to 20 N·m (15 lb ft).
  6. Install the heated oxygen sensor (1) and tighten to 40 N·m (30 lb ft).

  7. 2027832
  8. Install the 2 exhaust pipe front hanger bracket insulators (1).
  9. Install the exhaust pipe front hanger bracket (2).
  10. Install the 2 exhaust pipe front hanger bracket insulator nuts (3) and tighten to 20 N·m (15 lb ft).
  11. Install the 4 exhaust pipe front hanger bracket bolts (4, 5) and tighten to 25 N·m (19 lb ft).

  12. 2027839

    Note: A second technician is required.

  13. Install the exhaust rear silencer.
  14. Hang in the exhaust rear silencer (3) at position (2, 4).
  15. Note: Use a NEW exhaust pipe clamp.

  16. Connect the exhaust rear silencer with the silencer through an exhaust pipe clamp at position (1) and tighten the clamp to 20 N·m (15 lb ft).
  17. Lower the vehicle.
   


© Copyright Chevrolet. All rights reserved