To the top of the document
Cruze
   
GMDE Start Page Load static TOC Load dynamic TOC Help?

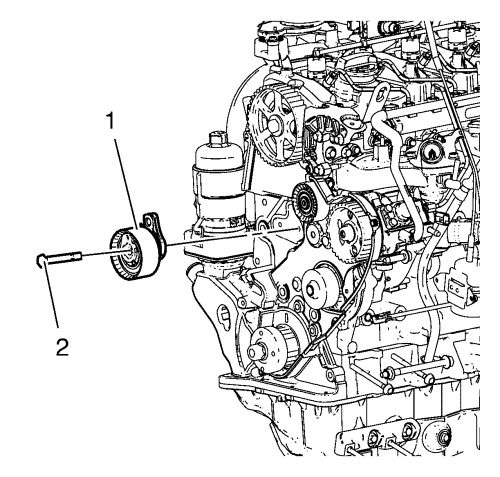
Timing Belt Tensioner Installation


    2027497

    Note: Consider the recess at the timing belt rear front cover.

  1. Install the timing belt tensioner (1).
  2. Install the timing belt tensioner bolt (2).
   


© Copyright Chevrolet. All rights reserved