To the top of the document
Cruze
   
GMDE Start Page Load static TOC Load dynamic TOC Help?

Brake System Vacuum Source Test

Special Tools

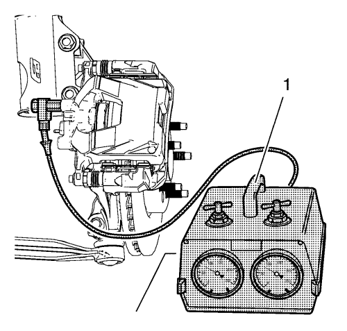
CH-558-10 Pressure Gauge

For equivalent regional tools, refer to Special Tools .

Note: 

   • Engine temperature, accessory load, and elevation level will affect engine vacuum.
   • Vacuum readings will decrease by approximately 2.7 kPA (0.8 in Hg) for every 305 m (1000 ft) of elevation above sea level.


2027940
Definition: If the brakes on diesel engine vehicles are operated for a long period of time, e.g. when approaching traffic lights or a traffic jam, the vacuum may be used up. The pedal travel is shortened, but will quickly return to the original pedal travel once the vacuum has been built up. Drivers often describe this phenomenon as follows: "When the brakes are operated for a long time, the brake pedal goes right to the floor" and/or as "Spongy brake pedal". On diesel vehicles, this is no cause for concern, as the pressure in the brake system is rising at this point. This can be demonstrated by connecting CH-558-10 gauge (1) to the brake calliper

    Note: Ignition OFF.

  1. Reduce negative air pressure in brake booster
  2. Press brake pedal repeatedly

  3. Check brake booster
  4. • Press down brake pedal and maintain pressure
    • Start engine
Definition: The brake system is operating correctly if the brake pedal drops further. If the brake pedal does not drop further, the vacuum system (vacuum line, non-return valve) must be checked. If no fault can be found there, replace the power brake booster. Refer to Power Brake Booster Replacement : Right Hand Drive → Left Hand Drive .

   


© Copyright Chevrolet. All rights reserved