To the top of the document
Cruze
   
GMDE Start Page Load static TOC Load dynamic TOC Help?

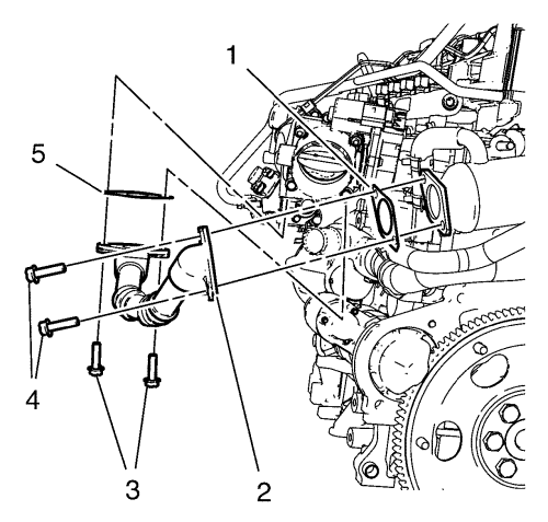
Exhaust Gas Recirculation Pipe Removal


    2027711
  1. Remove the 2 EGR pipe nuts (4).
  2. Remove the 2 EGR pipe bolts (3).
  3. Remove the EGR pipe (2).
  4. Remove the EGR pipe gaskets (1, 5).
   


© Copyright Chevrolet. All rights reserved