To the top of the document
Cruze
   
GMDE Start Page Load static TOC Load dynamic TOC Help?

Engine Oil Cooler Coolant Outlet Hose Installation


    2027605
  1. Install the engine oil cooler coolant outlet hose (2).
  2. Install the 2 hose clamps (1).

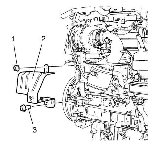
  3. 2027591
  4. Install the heat shield (2).
  5. Caution: Refer to Fastener Caution in the Preface section.

  6. Install the heat shield bolt (3) and tighten to 20 N·m (15 lb ft).
  7. Install the heat shield nut (1) and tighten to 20 N·m (15 lb ft).
   


© Copyright Chevrolet. All rights reserved