To the top of the document
Cruze
   
GMDE Start Page Load static TOC Load dynamic TOC Help?

Shock Absorber Replacement

Removal Procedure

  1. Raise and suitably support the vehicle. Refer to Lifting and Jacking the Vehicle .
  2. Remove the tyre and wheel assembly. Refer to Tyre and Wheel Removal and Installation .
  3. Support the rear axle with a tall jack stand near the shock absorber.

  4. 2027767
  5. Remove and DISCARD the upper shock absorber bolts (1).

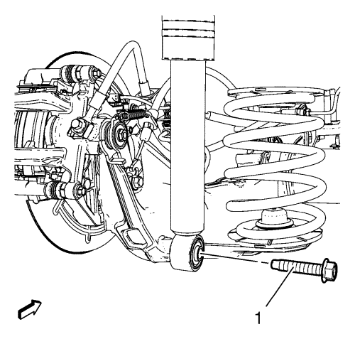
  6. 2027769
  7. Remove and DISCARD the lower shock absorber bolt (1).

Installation Procedure

  1. Position the shock absorber to the vehicle.
  2. Caution: Refer to Fastener Caution in the Preface section.

    Caution: Refer to Torque-to-Yield Fastener Caution in the Preface section.


    2027767
  3. Install NEW upper shock absorber bolts (1) and tighten to 100 N·m (74 lb in).

  4. 2027769
  5. Install NEW lower shock absorber bolt (1) and tighten to 150 N·m (111 lb ft) + 60°.
  6. Remove the jack stand.
  7. Install the rear tyre and wheel assembly. Refer to Tyre and Wheel Removal and Installation .
  8. Lower the vehicle.
   


© Copyright Chevrolet. All rights reserved