To the top of the document
Cruze
   
GMDE Start Page Load static TOC Load dynamic TOC Help?

Range Selector Lever Cable Replacement

Removal Procedure

  1. Set the park brake and chock the wheels.
  2. Remove the battery tray. Refer to Battery Tray Replacement .

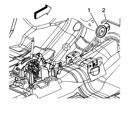
  3. 2001179
  4. Disconnect the transmission range selector lever cable terminal (1) from the transmission manual gear lever pin.
  5. Press the locking tabs inward in order to release the transmission range selector lever cable (2) from the cable bracket.
  6. Remove the console. Refer to Front Floor Console Replacement .

  7. 1998670
  8. Disconnect the transmission range selector lever cable terminal (2) from the gear lever pin.
  9. Release the transmission range selector lever cable retainer (1) and remove the transmission range selector cable from the transmission control lever base.

  10. 1998671
  11. Release the transmission range selector lever cable retainer (1).

  12. 1998672
  13. Remove the transmission range selector lever cable grommet (1) from the cowl panel (2).
  14. Remove the transmission range selector lever cable from the vehicle.

Installation Procedure


    1998672
  1. Install the transmission range selector lever cable to the vehicle.
  2. Install the transmission range selector lever cable grommet (1) to the cowl panel (2).

  3. 1998671
  4. Attach the transmission range selector lever cable retainer (1).

  5. 1998670
  6. Install the transmission range selector lever cable to the transmission control lever base. Insure the cable retainer (1) is fully secured to the transmission control lever base.
  7. Connect the transmission range selector lever cable terminal (2) to the gear lever pin.
  8. Install the console. Refer to Front Floor Console Replacement .

  9. 2001179
  10. Install the transmission range selector lever cable (2) to the cable bracket.
  11. Connect the transmission range selector lever cable terminal (1) to the transmission manual gear lever pin.
  12. Adjust the automatic transmission range selector lever cable. Refer to Range Selector Lever Cable Adjustment .
  13. Install the battery tray. Refer to Battery Tray Replacement .
   


© Copyright Chevrolet. All rights reserved