To the top of the document
Cruze
   
GMDE Start Page Load static TOC Load dynamic TOC Help?

Automatic Transmission Range Selector Lever Replacement

Removal Procedure

  1. Set the park brake and chock the wheels.
  2. Remove the battery tray. Refer to Battery Tray Replacement .

  3. 2001179
  4. Disconnect the transmission range selector lever cable terminal (1) from the transmission manual gear lever pin.
  5. Press the locking tabs inward in order to release the transmission range selector lever cable (2) from the cable bracket.

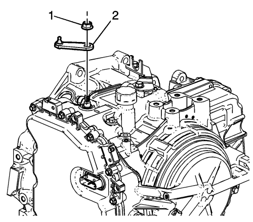
  6. 2001183

    Warning: Hold the transmission range selector lever while removing or installing the lever retaining nut. Failure to hold the lever can cause damage to the transmission internal park system components which could allow the vehicle to roll when placed in the park position.

  7. Remove the transmission range selector lever nut (1).
  8. Remove the transmission range selector lever (2).

Installation Procedure


    2001183

    Warning: Hold the transmission range selector lever while removing or installing the lever retaining nut. Failure to hold the lever can cause damage to the transmission internal park system components which could allow the vehicle to roll when placed in the park position.

  1. Install the transmission range selector lever (2).
  2. Caution: Refer to Fastener Caution in the Preface section.

  3. Install the transmission range selector lever nut (1) and tighten to 20 N·m(15 lb ft).

  4. 2001179
  5. Install the transmission range selector lever cable (2) to the cable bracket.
  6. Connect the transmission range selector lever cable terminal (1) to the transmission manual gear lever pin.
  7. Check the range selector cable adjustment. Refer to Range Selector Lever Cable Adjustment .
  8. Install the battery tray. Refer to Battery Tray Replacement .
   


© Copyright Chevrolet. All rights reserved