To the top of the document
Cruze
   
GMDE Start Page Load static TOC Load dynamic TOC Help?

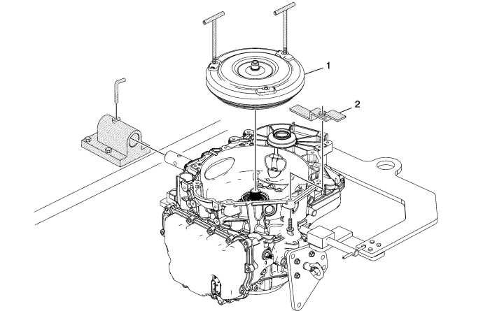
Torque Converter Installation


1891448

Callout

Component Name

1

Torque Converter Assembly

Tip
Failure to lower the torque converter straight down could damage the torque converter clutch lip seal inside the torque converter clutch assembly.

Special Tool

DT-46409 Torque Converter Lifting Handles

For equivalent regional tools, refer to Special Tools .

2

DT-21366 Converter Holding Strap

Warning: The torque converter must be held to the torque converter housing by a retaining device such as shipping brackets. Without the retaining device, the torque converter may slide forward, disengaging the oil pump, or may fall completely out of the transmission causing personal injury and/or property damage.

   


© Copyright Chevrolet. All rights reserved