To the top of the document
Cruze
   
GMDE Start Page Load static TOC Load dynamic TOC Help?

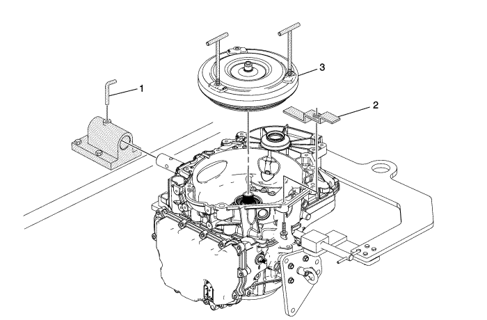
Torque Converter Removal


1891302

Callout

Component Name

1

Lock Pin

Warning: Lock pin must be secured into the bench fixture to hold the transmission and prevent bodily injury.

Tip
Ensure the DT 3289-20 holding fixture is mounted to a bench that is properly supported and will support the weight of the transmission assembly without tipping. DT-39890 holding fixture adaptor and an engine stand can be used as an alternative method for supporting the transmission assembly during repairs.

Special Tools

    • DT 3289-20 Holding Fixture
    • DT-39890 Transmission Holding Fixture Adapter

For equivalent regional tools, refer to Special Tools .

2

DT 21366 Torque Converter Holding Strap

3

Torque Converter Assembly

Caution: Only install the lift assist handles until it stops. Do not tighten. Over tightening the lift assist handles can cause damage to the torque converter.

Tip
Failure to raise the torque converter straight up could damage the torque converter clutch lip seal inside the torque converter clutch assembly.

Special Tool

DT 46409 Torque Converter Lifting Handles

For equivalent regional tools, refer to Special Tools .

   


© Copyright Chevrolet. All rights reserved