To the top of the document
Cruze
   
GMDE Start Page Load static TOC Load dynamic TOC Help?

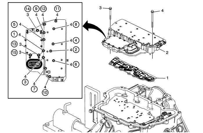
Control Solenoid Valve and Transmission Control Module Assembly Installation


1891446

Callout

Component Name

1

Control Solenoid Valve Assembly Filter Plate

Caution: Use care when removing or installing the filter plate assembly. A broken or missing retaining tab may not adequately secure the filter plate to the control solenoid valve assembly, resulting in possible damage or contamination.

Tip
Install a NEW filter plate to prevent fluid leaks past the fluid seals.

2

Control Solenoid (w/Body and TCM) Valve Assembly

3

Control Valve Body Bolt M5 x 40.5 (Qty: 3)

Caution: Refer to Fastener Caution in the Preface section.

Tighten
7 N·m (62 lb in)

4

Control Valve Body Bolt M6 x 97 (Qty: 12)

Tighten
10 N·m (89 lb in)

   


© Copyright Chevrolet. All rights reserved